EasyManua.ls Logo

SeaSTAR OPTIMUM EPS - Page 38

SeaSTAR OPTIMUM EPS
152 pages
Print Icon
To Next Page IconTo Next Page
To Next Page IconTo Next Page
To Previous Page IconTo Previous Page
To Previous Page IconTo Previous Page
Loading...
4-16
© 2014 SeaStar Solutions Optimus Installation Manual, Rev. E
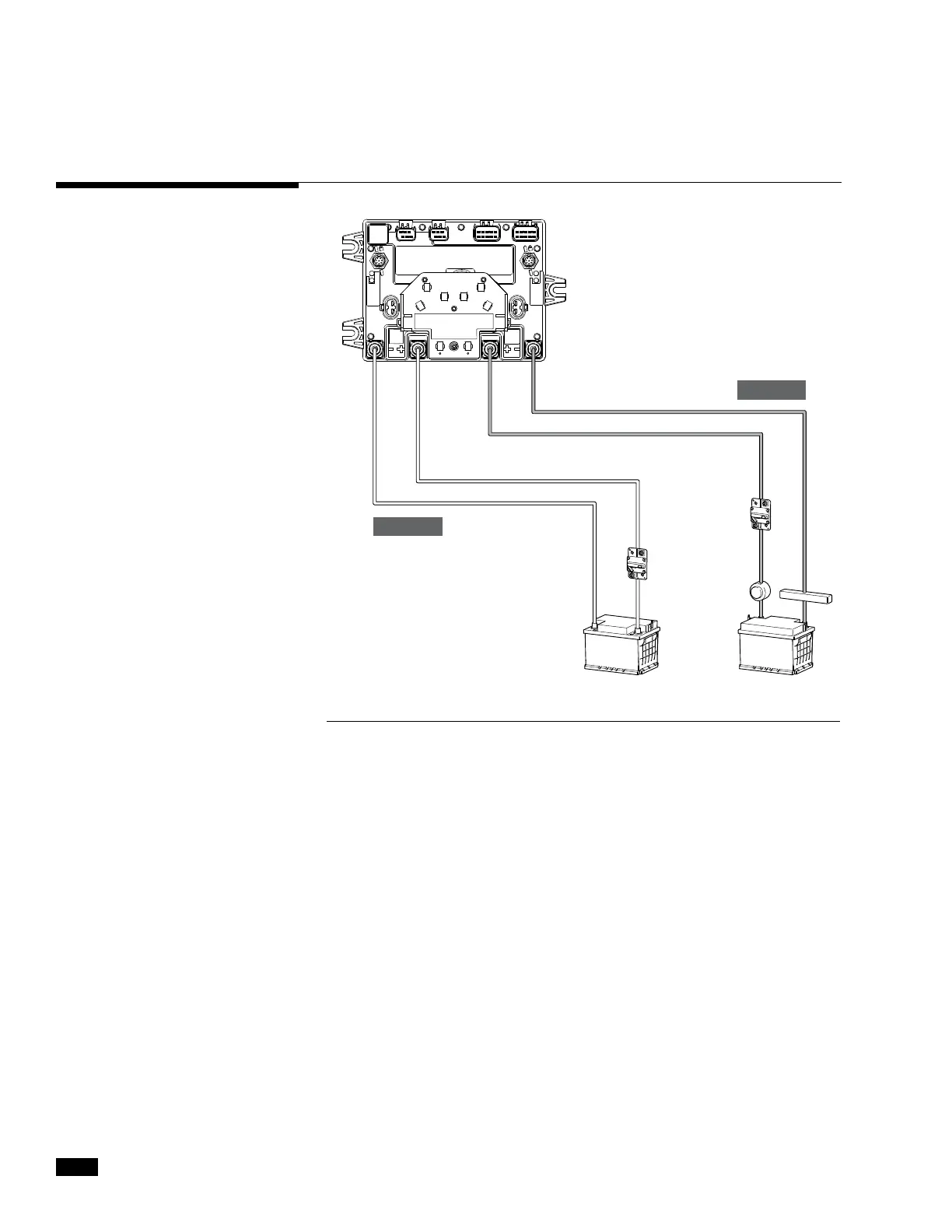
Example 1
The negative cable is 4’ (1.2 m) and according to the table you can
use 6 AWG (min 13.5 mm
2
) wire. The positive cable is 6’ (1.8 m) and
requires a circuit protection device within 7” (18 cm) of the power
source. The total length is still below 9.8’ (3 m) so again 6 AWG
(13.5 mm
2
) wire can be used.
Example 2
The negative wire is going from the PCM to a good ground bus. The
negative wire is 11’ (3.4 m) long and the table indicates that 4 AWG
(21 mm
2
) wire is required. The positive wire is 15’ (4.6 m) long and goes
from the breaker to the PCM. The 7” (18 cm) run from the battery switch
to the breaker must be added, resulting in a total length of 15’ 7
(4.8 m). Checking the table results in a 2 AWG (34 mm
2
) wire for
this connection.
Figure 4-14. Examples.
+ +
PCM
Brea k er
Battery
switch
7"
7"
6 FEET (1.8 m)
4 FEET (1.2 m)
EXAMPLE 1
EXAMPLE 2
11 FEET (3.4 m)
STARBOARD
SIDE
PORT
SIDE
15 FEET (4.6 m)
Brea k er
Bus
Bar
12V BATTERY 12V BATTERY
Examples

Table of Contents