EasyManua.ls Logo

Siemens Argus 7SR21 - Figure 3.4.2-1 Logic Diagram: Measured Instantaneous Earth-Fault Element; Instantaneous Measured Earth Fault Protection (50 G)

Siemens Argus 7SR21
644 pages
Print Icon
To Next Page IconTo Next Page
To Next Page IconTo Next Page
To Previous Page IconTo Previous Page
To Previous Page IconTo Previous Page
Loading...
7SR210 & 7SR220 Description of Operation
Unrestricted Page 36 of 94 ©2018 Siemens Protection Devices Limited
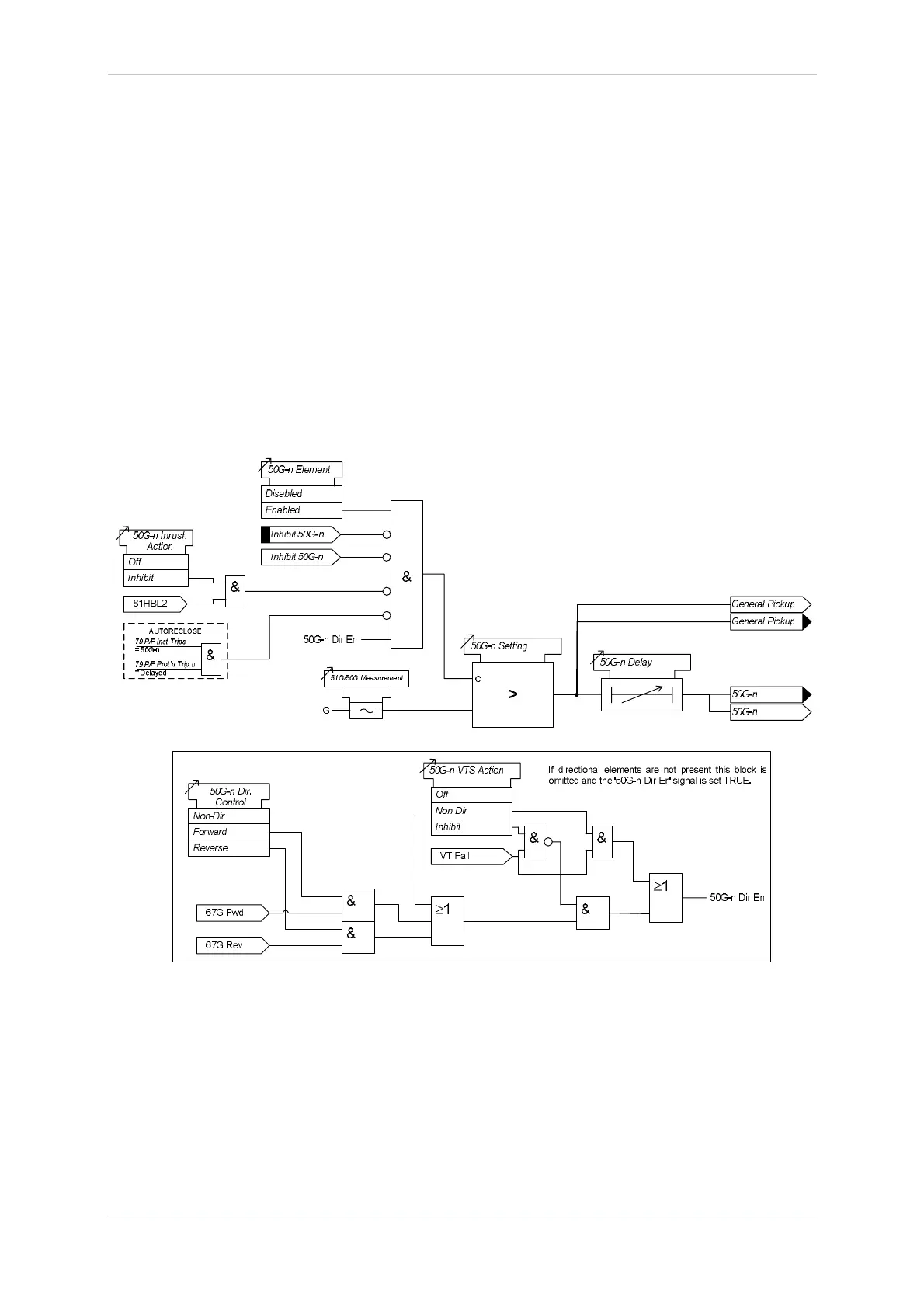
3.4.2 Instantaneous Measured Earth Fault Protection (50G)
Two instantaneous measured earth fault elements are provided in the 7SR21 relay. Four elements are provided in
the 7SR22 relay e.g. giving the option of using two elements set to forward and two to reverse.
Each instantaneous element has independent settings for pick-up current 50G-n Setting and a follower time
delay 50G-n Delay. The instantaneous elements have transient free operation.
Where directional elements are present the direction of operation can be set using 50G-n Dir. Control setting.
Directional logic is provided independently for each 50G-n element.
Operation of the instantaneous measured earth fault elements can be inhibited from: -
Inhibit 50G-n A binary or virtual input, function key or remote data Comms.
79 E/F Inst Trips: 50G-n When ‘delayed’ trips only are allowed in the auto-reclose sequence
(79 E/F Prot’n Trip n = Delayed).
50G-n Inrush Action: Inhibit Operation of the current inrush detector function.
50G-n VTSAction: Inhibit Operation of the VT Supervision function (7SR22).
Figure 3.4.2-1 Logic Diagram: Measured Instantaneous Earth-fault Element

Table of Contents

Other manuals for Siemens Argus 7SR21

Related product manuals