EasyManua.ls Logo

Siemens Argus 7SR21 - Typical Connection: 7 SR22 Connected to Vts and Capacitor Cone Unit

Siemens Argus 7SR21
644 pages
Print Icon
To Next Page IconTo Next Page
To Next Page IconTo Next Page
To Previous Page IconTo Previous Page
To Previous Page IconTo Previous Page
Loading...
7SR21 & 7SR22 - Installation Guide
Unrestricted Page 34 of 36 ©2018 Siemens Protection Devices Limited
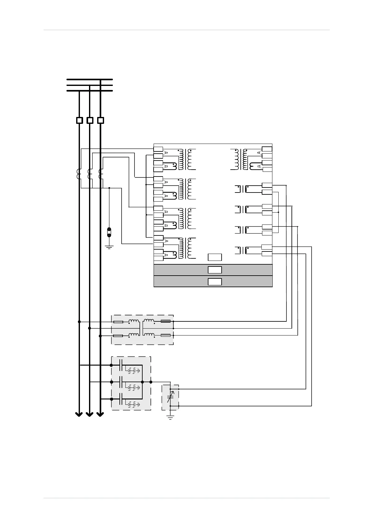
7.6 Typical Connection: 7SR22 Connected to VTs and
Capacitor Cone Unit
L1 L2 L3
A
C
B
S1
S2
P1
P2
I
L1
(I
A
)
1
2
5
6
9
10
13
14
A
17
18
19
20
21
22
23
24
25
26
27
28
1A
5A
1A
5A
1A
5A
1A
5A
15
16
11
12
1A
5A
3
4
7
8
B
C
V
4
(V
X
)
V
L3
(V
C
)
V
L2
(V
B
)
V
L1
(V
A
)
I
L2
(I
B
)
I
L3
(I
C
)
I
4
(I
G
)
I
5
(I
SEF
)
NOTES
1) CT circuits are shown connected to 1 A tap – use alternative tap for 5 A rated CTs.
2) CT and Earth connections are typical only.
3) Vee Connected VT: Phase Voltage Config:-Va,Vb,Vc
4) DEF elements must be NPS polarised (Vo polarising not applicable)
5) V
4
used for NVD input
Capacitor
Cones
Adaptor
Unit
Figure 7.6-1 7SR22 Applied to Feeder with Capacitor Cones Fitted

Table of Contents

Other manuals for Siemens Argus 7SR21

Related product manuals