EasyManua.ls Logo

Siemens Argus 7SR21 - Figure 3.4.3-1 Logic Diagram: Measured Time Delayed Earth Fault Element (51 G); Time Delayed Measured Earth Fault Protection (51 G)

Siemens Argus 7SR21
644 pages
Print Icon
To Next Page IconTo Next Page
To Next Page IconTo Next Page
To Previous Page IconTo Previous Page
To Previous Page IconTo Previous Page
Loading...
7SR210 & 7SR220 Description of Operation
Unrestricted ©2018 Siemens Protection Devices Limited Page 37 of 94
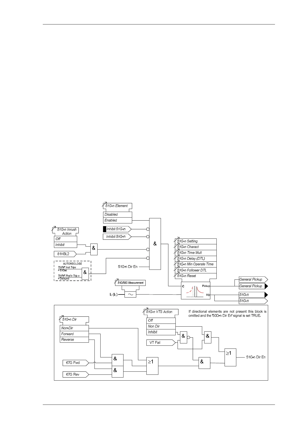
3.4.3 Time Delayed Measured Earth Fault Protection (51G)
Two time delayed measured earth fault elements are provided in the 7SR21 relay. Four elements are provided in
the 7SR22 relay e.g. giving the option of using two elements set to forward and two to reverse.
51G-n Setting sets the pick-up current level.
A number of shaped characteristics are provided. An inverse definite minimum time (IDMT) characteristic is
selected from IEC and ANSI curves using 51G-n Char. A time multiplier is applied to the characteristic curves
using the 51G-n Time Mult setting. Alternatively, a definite time lag (DTL) can be chosen using 51G-n Char.
When DTL is selected the time multiplier is not applied and the 51G-n Delay (DTL) setting is used instead.
The 51G-n Reset setting can apply a definite time delayed reset, or when configured as an ANSI characteristic
an ANSI (DECAYING) reset. If ANSI (DECAYING) reset is selected for an IEC characteristic, the reset will be
instantaneous. The reset mode is significant where the characteristic has reset before issuing a trip output see
‘Applications Guide’.
A minimum operate time for the characteristic can be set using 51G-n Min. Operate Time setting.
A fixed additional operate time can be added to the characteristic using 51G-n Follower DTL setting.
Where directional elements are present the direction of operation can be set using 51G-n Dir. Control setting.
Directional logic is provided independently for each 51G-n element.
Operation of the time delayed measured earth fault elements can be inhibited from:
Inhibit 51G-n A binary or virtual input, function key or remote data Comms.
79 E/F Inst Trips: 51G-n When ‘delayed’ trips only are allowed in the auto-reclose sequence
(79 E/F Prot’n Trip n = Delayed).
51G-n Inrush Action: Inhibit Operation of the inrush current detector function.
51G-n VTSAction: Inhibit Operation of the VT Supervision function (7SR22).
Figure 3.4.3-1 Logic Diagram: Measured Time Delayed Earth Fault Element (51G)

Table of Contents

Other manuals for Siemens Argus 7SR21

Related product manuals