EasyManua.ls Logo

Siemens Argus 7SR21 - Broken Conductor (46 BC); Trip; Close Circuit Supervision (74 TCS & 74 CCS); Figure 5.5-1 Logic Diagram: Broken Conductor Function (46 BC); Figure 5.6-1 Logic Diagram: Trip Circuit Supervision Feature (74 TCS)

Siemens Argus 7SR21
644 pages
Print Icon
To Next Page IconTo Next Page
To Next Page IconTo Next Page
To Previous Page IconTo Previous Page
To Previous Page IconTo Previous Page
Loading...
7SR210 & 7SR220 Description of Operation
Unrestricted ©2018 Siemens Protection Devices Limited Page 81 of 94
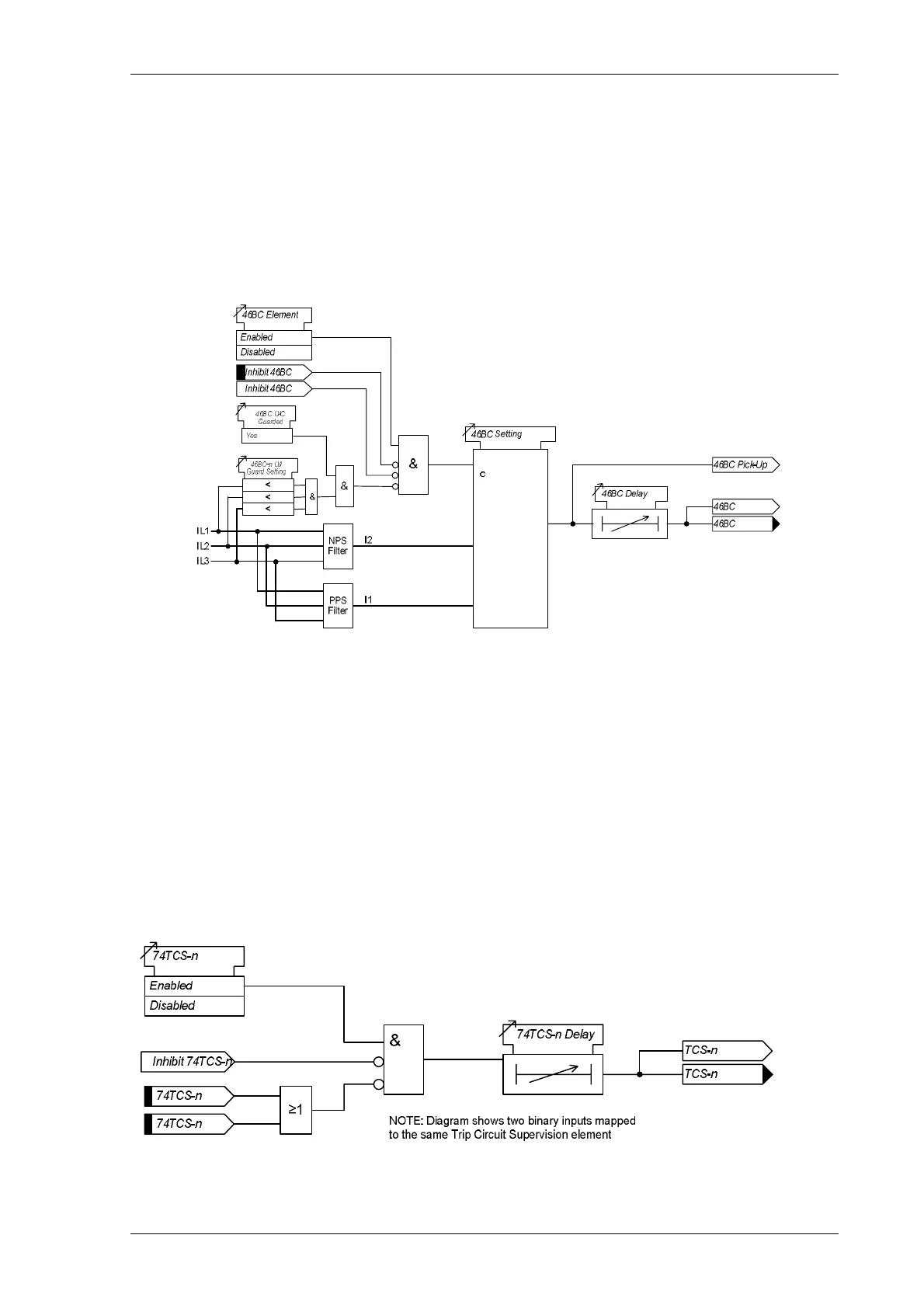
5.5 Broken Conductor (46BC)
The element calculates the ratio of NPS to PPS currents. Where the NPS:PPS current ratio is above 46BC
Setting an output is given after the 46BC Delay.
The Broken Conductor function can be inhibited from: -
Inhibit 46BC A binary input, virtual input or remote data Comms.
Gn 46BC U/I Guarded Operation of the undercurrent guard function.
Figure 5.5-1 Logic Diagram: Broken Conductor Function (46BC)
5.6 Trip / Close Circuit Supervision (74TCS & 74CCS)
The relay provides three trip and three close circuit supervision elements. All elements are identical in operation
and independent from each other allowing three trip and three close circuits to be monitored.
One or more binary inputs can be mapped to 74TCS-n. The inputs are connected into the trip circuit such that at
least one input is energised when the trip circuit wiring is intact. If all mapped inputs become de-energised, due to
a break in the trip circuit wiring or loss of supply an output is given.
The 74TCS-n Delay setting prevents failure being incorrectly indicated during circuit breaker operation. This delay
should be greater than the operating time of the circuit breaker.
The use of one or two binary inputs mapped to the same Trip Circuit Supervision element (e.g. 74TCS-n) allows
the user to realise several alternative monitoring schemes – see ‘Applications Guide’.
Figure 5.6-1 Logic Diagram: Trip Circuit Supervision Feature (74TCS)

Table of Contents

Other manuals for Siemens Argus 7SR21

Related product manuals