EasyManua.ls Logo

Siemens Argus 7SR21 - Page 635

Siemens Argus 7SR21
644 pages
Print Icon
To Next Page IconTo Next Page
To Next Page IconTo Next Page
To Previous Page IconTo Previous Page
To Previous Page IconTo Previous Page
Loading...
7SR210 & 7SR220 Applications Guide
© 2013 Siemens Protection Devices Limited Page 41 of 48
Scheme 2 (Intermediate)
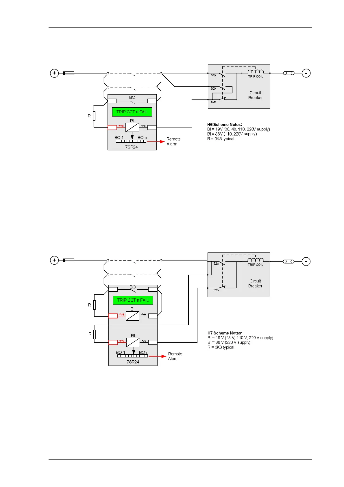
Figure 5.4-2 Trip Circuit Supervision Scheme 2 (H6)
Scheme 2 provides continuous Trip Circuit Supervision of trip coil with the circuit breaker Open or Closed. It does
not provide pre-closing supervision of the connections and links between the tripping contacts and the circuit
breaker and may not therefore be suitable for some circuits which include an isolating link.
Scheme 3 (Comprehensive)
Figure 5.4-3 Trip Circuit Supervision Scheme 3 (H7)
Scheme 3 provides full Trip supervision with the circuit breaker Open or Closed.

Table of Contents

Other manuals for Siemens Argus 7SR21

Related product manuals