EasyManua.ls Logo

Siemens Simatic S7-300 - DO 16 X Rel. 120;230 VAC

Siemens Simatic S7-300
574 pages
To Next Page IconTo Next Page
To Next Page IconTo Next Page
To Previous Page IconTo Previous Page
To Previous Page IconTo Previous Page
Loading...
Digital Modules
3-94
Programmable Logic Controllers S7-300 Module Data
A5E00105505-03
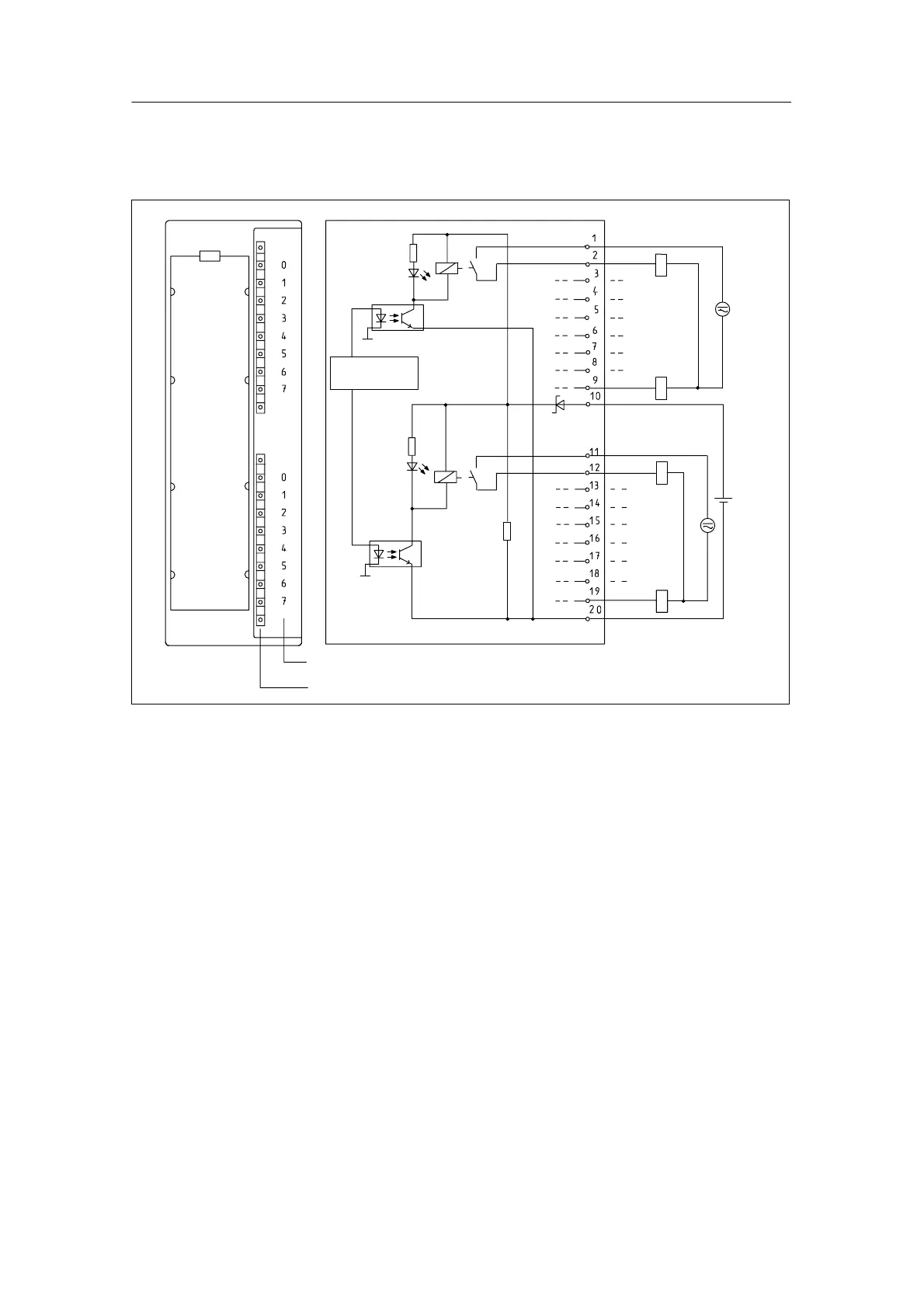
Terminal assignment and block diagram of the SM 322;
DO 16 x Rel. 120/230 VAC
Channel number
Status display – green
L +
N
M
M
Backplane bus
interface
N
M
24 V
Figure 3-30 Module View and Block Diagram of SM 322; DO 16 x Rel. 120/230 VAC

Table of Contents

Other manuals for Siemens Simatic S7-300

Related product manuals