EasyManua.ls Logo

Siemens SIPROTEC 4 7SD80 - Page 113

Siemens SIPROTEC 4 7SD80
416 pages
To Next Page IconTo Next Page
To Next Page IconTo Next Page
To Previous Page IconTo Previous Page
To Previous Page IconTo Previous Page
Loading...
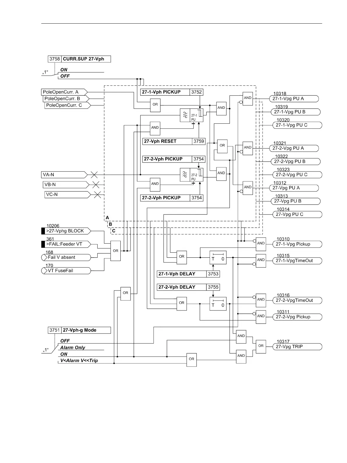
Monitor”, also see Section 2.14.1 Measurement Supervision) or if the trip of the mcb of the voltage trans-
formers is indicated (internal blocking) via the binary input
>FAIL:Feeder VT
.
[lo-unterspg-ph-20101108, 1, en_US]
Figure 2-50
Logic diagram of the undervoltage protection for phase voltages
Undervoltage Phase-to-Phase
Basically, the phase-to-phase undervoltage protection operates like the phase-to-ground protection except
that it detects phase-to-phase voltages. Accordingly, both phases are indicated during pickup of an under-
voltage element if one of the stage thresholds 27-1-Vpp PICKUP (address 3762) or 27-2-Vpp PICKUP
(address 3764) was undershot. Apart from that, Figure 2-50 also applies generally.
Functions
2.8 Undervoltage and Overvoltage Protection (optional) 27/59
SIPROTEC 4, 7SD80, Manual 113
E50417-G1100-C474-A2, Edition 02.2018

Table of Contents

Related product manuals