EasyManua.ls Logo

Sindoh M612 - Component Replacement and Adjustment; Pre-Replacement Precautions; External Cover Removal Steps

Sindoh M612
214 pages
Print Icon
To Next Page IconTo Next Page
To Next Page IconTo Next Page
To Previous Page IconTo Previous Page
To Previous Page IconTo Previous Page
Loading...
83
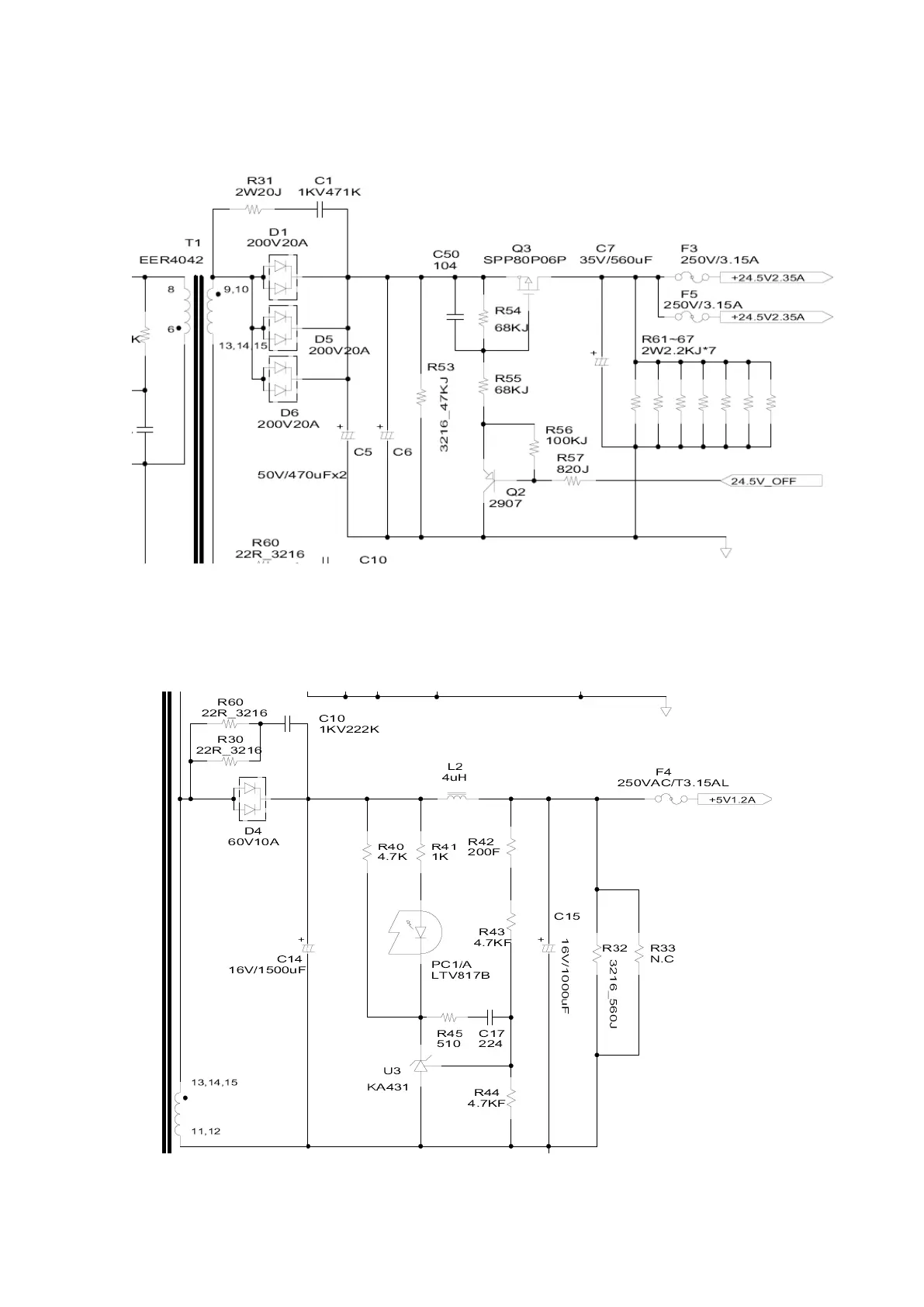
4. 5V Output Section

Table of Contents

Related product manuals