EasyManua.ls Logo

Sindoh M612 - Page 93

Sindoh M612
214 pages
Print Icon
To Next Page IconTo Next Page
To Next Page IconTo Next Page
To Previous Page IconTo Previous Page
To Previous Page IconTo Previous Page
Loading...
87
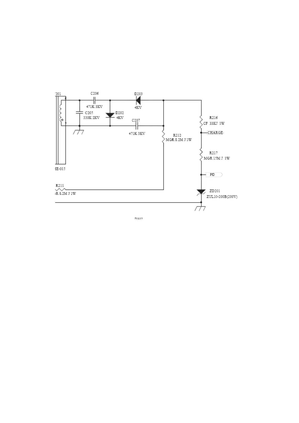
3. High Power Output Section
4. TX-SENSING

Table of Contents

Related product manuals