EasyManua.ls Logo

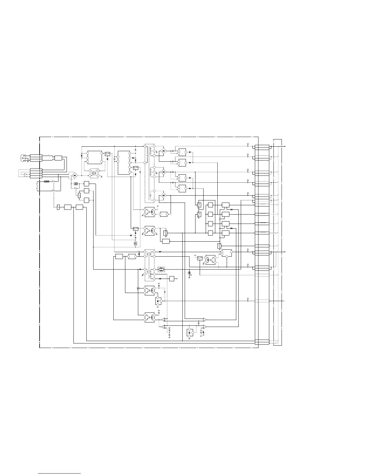
Sony BVM-D32E1WA - Block Diagrams: E Board Functions; Horizontal System Circuits; Vertical System Circuits

Sony BVM-D32E1WA
238 pages
Print Icon
To Next Page IconTo Next Page
To Next Page IconTo Next Page
To Previous Page IconTo Previous Page
To Previous Page IconTo Previous Page
Loading...
10-12
BVM-D32E1WA/D32E1WE/D32E1WU
10-12
GG
LIVE 3
+135V
REG
G
(MAIN REG)
NEUTRAL 1
LIVE
CN1
7
1
CN2
3
5
AC IN (H)
AC IN (C)
AC IN (H)
AC IN (C)
S901
POWER
DGC
THP2
LINE
FILTER
F1
T1,2
RELAY
DRIVE
Q3
+15V
REG
RY2
IC2
LATCH
Q1,2
DEGAUSS
DRIVE
Q904
RY1
POWER
RESET
Q905
13
11
4
5
9VCC
DRAIN
1
AC SENSE
3
CATHODE
10
5
L SENSE
IC1
POWER FACTOR CONT
T3
PFCT
Q5
VD
1
RESET
3
18VB
15VC2
19
VS
14
VC1
7
RT
IC201
MAIN SWITCHING
Q6
3
6
16
15
14
T201
PIT
D204
±15V RECT
+15V
OCP
COMP
8
9
14
IC203
D803
-15V
OCP
COMP
11
10
13
IC203
D803
13
12
1
D205
±6V RECT
+6V
OCP
COMP
4
5
2
IC203
D801
-6V
OCP
COMP
7
6
14
IC203
D802
10
9
D206
+135V RECT
TP2
+15V
2
1
4
3
1
2
+15V
IC202
PH201
+135V REG
PROT
Q801,901
4
3
1
2
PH901
PFC & MAIN ON/OFF
Q903
RESET
Q813
LATCH
Q808,809
Q814
D806
RESET
Q811
LATCH
Q804,805
Q815
RESET
Q812
LATCH
Q806,807
D805
RESET
Q810
LATCH
Q802,803
Q902
5
3
12
11
T101
SRT
10
9
8
1
4
STBY
5V SW
LATCH
Q101,102
1
3
IC101
D102
D101
D105
D106
D107
-5V
REG
IC103
-5V
4
3
1
2
PH101
STBY 5V REG
1
2
4
3
PH103
HEATER ON/OFF
+5V
3
2
1
IC104
STBY 5V
REG
4
3
1
2
PH801
STBY 5V PROT
+5V
Q4
13
11
10 5
4
2
14
9
8
7
6
1
IC802
IC802
+5V
3
2
1
IC801
2.5V
REF
+135V
+135V
OCP COMP
5
2
1
3
HEATER
REG
IC102
+5V
Q103
D108
STBY 5V
TA1
BOARD
E
5a +15V
5b +15V
TP3
-15V
4a -15V
4b -15V
TP5
+6V
7a +6V
7b +6V
TP4
-6V
6a -6V
6b -6V
TP1
+135V
2a
+135V (+B)2b
29a STBY +5V
29b
+135V (+B)
STBY +5V
16a
G PROT 1
16b
G PROT 2
17a
G PROT 3
17b
G PROT 4
15b E PROT
26a +5V SENSE
TP7
HT(+)
22a HT (+)
22b HT (+)
TP8
HT(-)
23a HT (-)
23b HT (-)
27a HV CTRL
TP9
5V SENSE
14b POWER ON
15a DEGAUSS
BOARD
C
OPTION
D1
AC RECT
AC IN
100-240V
50/60Hz
IC802
STBY 5V OCP
IC802
STBY 5V OVP
+135V
OVP COMP
Main Regulator
G Block

Table of Contents

Related product manuals