EasyManua.ls Logo

Sony BVM-D32E1WA - Schematic Diagrams: PA Board; PA Board Schematic Diagrams (1;2)

Sony BVM-D32E1WA
238 pages
Print Icon
To Next Page IconTo Next Page
To Next Page IconTo Next Page
To Previous Page IconTo Previous Page
To Previous Page IconTo Previous Page
Loading...
11-52
BVM-D32E1WA/D32E1WE/D32E1WU
11-52
2
3
4
5
ABCDEFGH
1
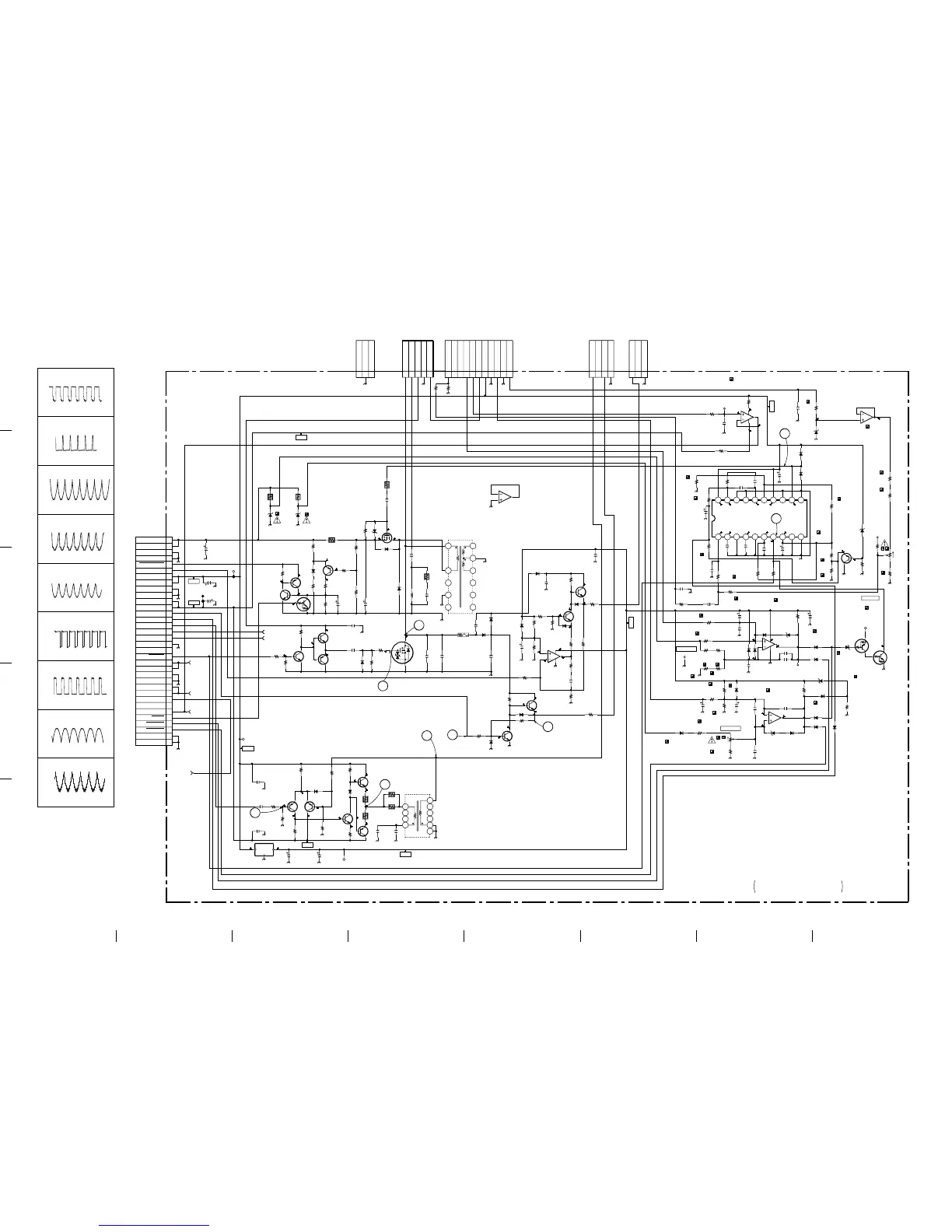
PA (1/2)PA (1/2)
PA Board Waveforms
580Vp-p (2H)
15.7Vp-p (2H)
2
640Vp-p (2H)
0.84Vp-p (2H)
18.3Vp-p (2H)
1
3
4
5
6
16.5Vp-p (2H)
7
3.3Vp-p (2H)
8
3.0Vp-p (2H)
9
220Vp-p (2H)
1a
1b
2a
2b
3a
3b
4a
4b
5a
5b
6a
6b
7a
7b
8a
8b
9a
9b
10a
10b
11a
11b
12a
12b
13a
13b
14a
14b
15a
15b
16a
16b
17a
17b
1
2
3
4
6 7
8
9
10
11
12
1 2 3 4 5 6 7 8 9 10
11121314151617181920
1
2
3
4
5
6
8
9
10
11
S
S
IO
G
1
2
3
4
5
6
7
8
9
10
11
1
2
3
4
5
1
2
3
1
2
3
4
1
2
3
R853
C849
IC805(2/2)
IC805(1/2)
C907
R812
R813
TP502
R811
C811
R802
R513
TP501
R804
D501
D514
R519
TP503
IC502(1/2)
D511
D512
D530
C517
R514
C803
C804
C512
R515
C511
R521R516
TP504
R524
R525
D505
R526
R527
IC502(2/2)
R529
C518
D502
D519
D518
R530
D516
R901 R902
R101
R109
R110
C103
Q102
R114
C102
C901
C921
Q104
R102
Q103
R105
C101
R108
Q107
R115
Q105
R112
R113
Q108
C106
D104
C904
R117
R116
Q109
C104
L102
R111
C105
C107
C108
R212
L101
D206
D201
D207
C912
R207
Q202
Q201
R211
D203
R206
R201
D204
R208
R204
C202
C201
R202
Q322
R324
R322
D322
Q321
D321
C903
C301
C923
IC901
C902 C911
T301
R313
R312
R311
Q303
R363
Q301
R301
R302
R304
R307
D301
R310
R508
R509
R507
C508
C507
C506
D521
D522
R506
D524
C501
R501
C502 C503 C504
C505
R209
R801
R815
R814
C802
R532
R510
R205
R505
R503
Q210
R504
D810
D103
IC501
R502
R511
Q304
Q305
C203
C204
C205
D525
R321
D531
C514
C510
R103
R104
R107
Q502
Q501
D102
D801
Q101
D901 D902
R816
R106
C516
C509
R203
R512
D513
D517
R309
R305
C302
C305
Q302
R308
C801
R533
R517
R522
RV503
RV501
D503
CN907
IC803(1/2)
IC803(2/2)
R210
C520
C513
CN902
CN904
CN905
CN903
CN801
Q113
D101
D205
D533
D532
4.7k
:CHIP
10k
:CHIP
33k
:CHIP
47p
CH:CHIP
0.01
B:CHIP
100
25V
MA111-TX
MA111-TX
1000p
B:CHIP
100
:CHIP
0.1
B:CHIP
2200p
CH:CHIP
1000p
CH:CHIP
220
16V
100k
:CHIP
4.7k
:CHIP
4.7k
:RN-CP
220
16V
33
160V
:HRHT
0.0047
200V
:PT
0.0033
200V
:PT
0.1
25V
B:CHIP
470p
2kV
B
4400p
2kV
:PP
220
16V
0.01
B:CHIP
1
16V
F:CHIP
0.01
B:CHIP
47
16V
BP
0.0068
:MPS
0.1
25V
B:CHIP
0.1
25V
B:CHIP
0.01
B:CHIP
100
25V
100
25V
0.01
B:CHIP
0.01
B:CHIP
47
160V
47
25V
0.1
25V
B:CHIP
100
25V
0.01
B:CHIP
V11N-52
V11N-52
V11N-52
LM393PS-E20
LM393PS-E20
NJM7812FA
LOT
10µH
IRFI9630GS
2SA1037K2SC2412K
2SC2668
2SC2412K
2SA1037K
2SK1120
2SC5022
2SC5022
2SA1037K
2SA1037K
2SC2412K
2SC4686A
2SC4686A
0.68
1W
:RS
220
:RN-CP
1.8k
:CHIP
10k
:CHIP
22k
:CHIP
22
:FPRD
100
3W
:RS
4.7k
:CHIP
4.7k
:CHIP
10k
:CHIP
4.7k
:CHIP
10k
:CHIP
10
:CHIP
22k
:CHIP
27k
:CHIP
4.7k
:CHIP
82k
:CHIP
10k
:CHIP
10M
1W
:RN
10M
1W
:RN
100k
:CHIP
1M
1/2W
:SURGE
470
1/2W
:FUSE
100
:CHIP
1.5k
:CHIP
1.2k
:CHIP
2M
1W
10
:FPRD
10
:FPRD
68 1W :RS
68 1W :RS
2M
1W
10k
1/2W
:SURGE
6.8k
:CHIP
4.7k
:RN-CP
4.7k
:RN-CP
12k
:RN-CP
120k
:RN-CP
510k
:RN-CP
510k
:RN-CP
22k
:CHIP
0
:CHIP
51k
:RN-CP
22k
:RN-CP
62k
:RN-CP
22k :RN-CP
22k
:CHIP
47k
:RN-CP
33k
:RN-CP
100k
:CHIP
0
:CHIP
12k
:RN-CP
100k
:CHIP
100
:CHIP
100
:CHIP
4.7k
:CHIP
220k
:CHIP
10M
1W
47k
2W
:RS
47k
2W
:RS
DFT
ERB91-02TP1
BA9756FS-E2
1
250V
:PP
0.1
25V
F:CHIP
10
50V
0.022
50V
B:CHIP
ERC91-02TP11
MA111-TX
MA111-TX
MA111-TX
MA111-TX
MA111-TX
MA111-TX
MA111-TX
MA111-TX
MA111-TX
MA111-TX
MA111-TX
MA111-TX
MA111-TX
MA111-TX
MA111-TX
MA111-TX
MA111-TX
TL082CPS-E20
TL082CPS-E20
10k
:CHIP
5.6k
:CHIP
2SD1762F
2SB1185
RD10SB1-T1
120k
:CHIP
4700p
2kV
E
4700p
2kV
E
4700p
2kV
E
4.7
50V
33
25V
270k
:RN
220k
:RN
270k
:RN
DTC144EKA-T146
DTA144EKA-T146
MA111-TX
RD12SB2
RD12SB2
2SA1371-E
HZT33-02TA HZT33-02TA
10k :CHIP
220 :RN-CP
1 16V F:CHIP
1
50V
82k
:RN-CP
22k
:CHIP
RD3.3SB
RD3.3SB
4.7k
:CHIP
4.7k
:CHIP
2.2
16V
F:CHIP
2.2
F:CHIP
2SA1037K
270 :CHIP
47
50V
1.5k
:CHIP
3.0k
:RN-CP
62k :RN-CP
RD4.7ESB1
3P
TL082CPS
TL082CPS
470k
:CHIP
1
16V
B:CHIP
1
16V
B:CHIP
5P WHT :MINI
11P WHT :S-MICRO
4P :MINI
3P :MINI
34P
DTC144EKA-T146
MA111-TX
MA111-TX
RD2.0SB-T1
MA111-(K8).S0
12V
15V
-15V
SCL
SDA
ABL
STBY5V
+6V
15V
-6V
5V
HV PROT
IK PROT
HV ADJ
IN+
AGC
NC
SAW OUT
NC
MMCR
HD IN
NC
SIG GND
Vref(9V)
PWR GND
PWM OUT
NC
PVcc
DTC IN
OUT
NC
NC
IN-(REF)
Vcc
IK PROT REF HV PROT REF
HV REG OCP DETECT
PROTECTOR
PROTECTOR
SWITCHING
FLYWHEEL
LATCH LATCH
POWER OFF RESET
BUFFER
BUFFER
AMP
SWITCHING
CLAMP
1KV RECT
BUFFER
PROTECTOR
DFY AMP
PROTECTOR
+500V RECT
CLAMP
PROTECTOR
5
6
4
7
8
PROTECTOR
BUFFER
G2 CONTROL
G2 AMP
DISCHARGE
DFX AMP
+12V REG
PROTECTOR
BUFFER
BUFFER
DFX AMP
DFX AMP
BUFFER
BUFFER
BUFFER
SWITCH
SWITCH
SWITCH
SWITCH
SWITCH
SWITCH
SWITCH
SWITCH
SWITCH
PROTECTOR
PWM CONTROL
BIAS
COMPARATOR
LIMITER
BIAS
COMPARATOR
DISCHARGE
LIMITERTHERMAL COMP
BIAS
DISCHARGE
TO PC BOARD
CN803
TO PC BOARD
CN802
(2/2)
(2/2)
(2/2)
(2/2)
(2/2)
(2/2)
CN20
TO PC BOARD TO C BOARD
CN3CN804
BIAS
TO C BOARD
CN8
TO TA1 BOARD
DFX
15V
DFY
G2 CTRL
15V
GND
GND
GND
GND
GND
-15V
-15V
GND
GND
HV DRV
IK TRIP
HV TRIP
HV REG OCP
ABL
GND
GND
POWER
HV CTRL
SCL
SDA
STBY5V
-6V
-6V
+6V
+6V
+135V
+135V
DF(IQL2)
-30V
PA
(1/2)
PWM CONTROL DISCHARGE,H STAT/G2 CONTROL
HV REG,HV OUT,DYNAMIC FOCUS, +/-30V RECT
HV RTN
GND
GND
ABL1
ABL2
HV PROT
FBT(C)
JW
JW
GND
FBT(H)
GND
JW(+15V)
JW(+15V)
HV RTN(AC)
NC
NC
DFX-O
IQL1-O
DFY-O
GND
+30V
GND
-30V
G2 OUT
NC
1
2
3
5.0
5.0
0
0.2
135.0
65.1
134.0
0
131.8
135.0
16.6
10.3
10.7
0.3
103.7
9.2
0
-15.4
0.6
-16.7
-0.7
16.6
-0.9
0
-0.7
-16.7
-0.7
-1.6
16.6 12.2
1145.0
613.0
567.0
11.0
10.5
6.6
6.5
12.2
6.0
577.0
239.0
244.0
243.0
0.6
16.2
-0.4
-16.3
-0.4
8.9
8.9
16.6
4.4
6.6
16.6
11.2
4.5
5.3
4.7
1.0
9.0
1.0
4.5
5.0
5.85.1
12.2
12.2
8.38.8
12.2
1.0
1
2
3
4
5
7
6
8
9
+15V
-15V
-15V
+15V
-15V
+12V
+15V
+12V
B-SS9698UC-PA-P1
12
3
3
2
4
1
8
6
5
7
5
6
4
7
8
2
3
1

Table of Contents