EasyManua.ls Logo

Sony SLV-286EE - Schematic Diagram; Video Signal

Sony SLV-286EE
112 pages
Print Icon
To Next Page IconTo Next Page
To Next Page IconTo Next Page
To Previous Page IconTo Previous Page
To Previous Page IconTo Previous Page
Loading...
i
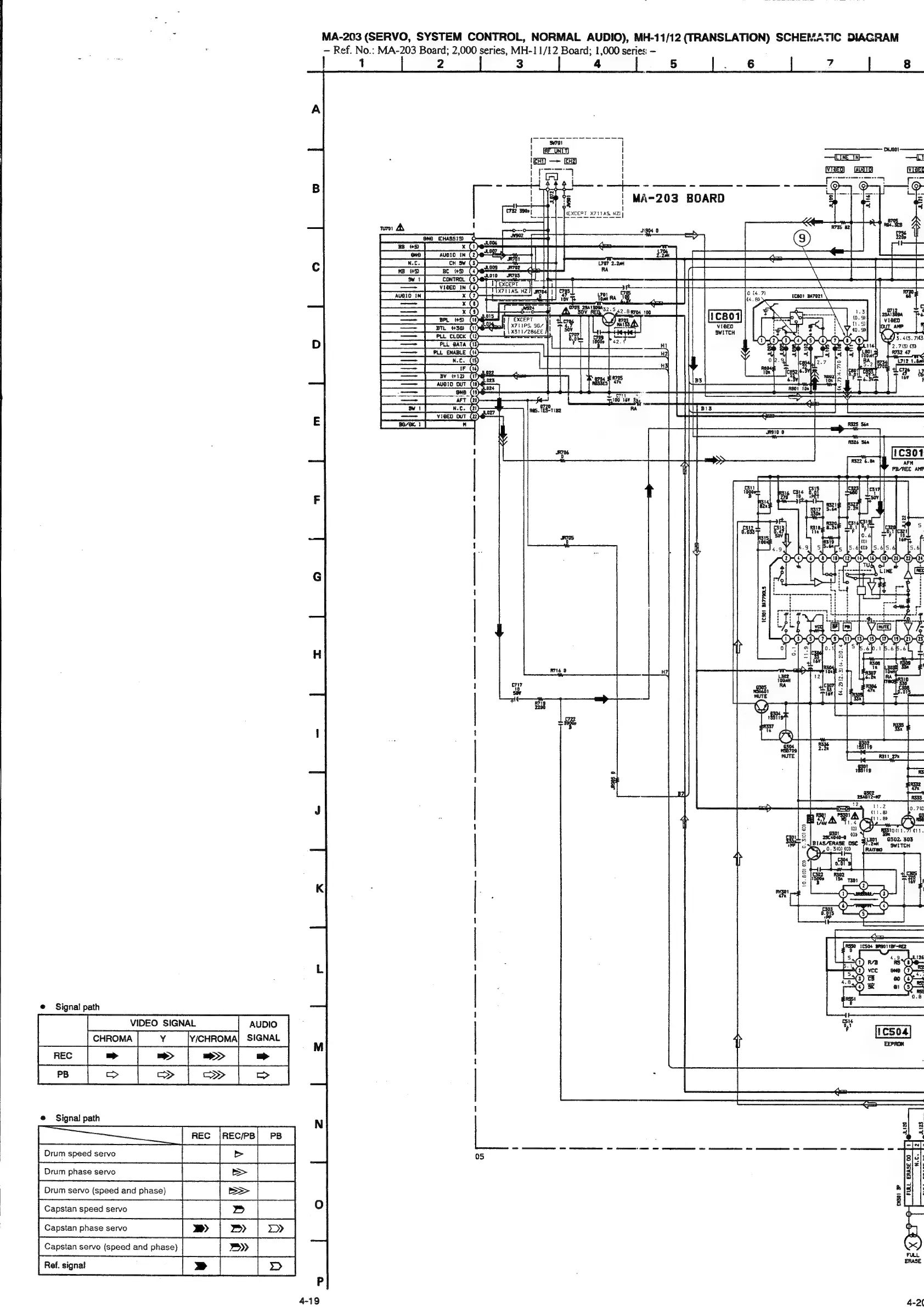
MA-203
(SERVO,
SYSTEM
CONTROL,
NORMAL
AUDIO),
MH-11/12
(TRANSLATION)
SCHEMATIC
DIAGRAM
:
Ref.
No.:
MA-203
Board;
2,000
series,
MH-11/12
Board;
1,000
series:
———
eS
RS
Pi
as
[es
1B
5)
BC
+5)
sot
ae
70s
ar
=
rer
al
oF
es
LO
e
a
ETO
|
@
———
tpg
aie
=
a
—s
eo
wai
vance
a
a
a
id
i
se
[ft
|
—s
aa
——____
—s
eat
a
==
7
‘RES.
TIB2
[a
¥.
Gn
I
vien
out
G)
as
i
N
Bk
t
brown
qocnanene
rennet
0.
310)
0)
w2
a
10.
8(0)
(0)
@
Signal
path
VIDEO
SIGNAL
AUDIO
CHROMA|
Y
—_
[Y/CHROMA|
SIGNAL
a
a
oe
e
Signal
path
[re
er]
Drum
speed
servo
a.
ee
formonsesene
«|
id
|_|
[ounsere
sooo
|
[ae
|
ea
caer
sero
eoetanaeen
|_|
|
>
|
Ref.
signal
4-19
4-2

Table of Contents

Related product manuals