EasyManua.ls Logo

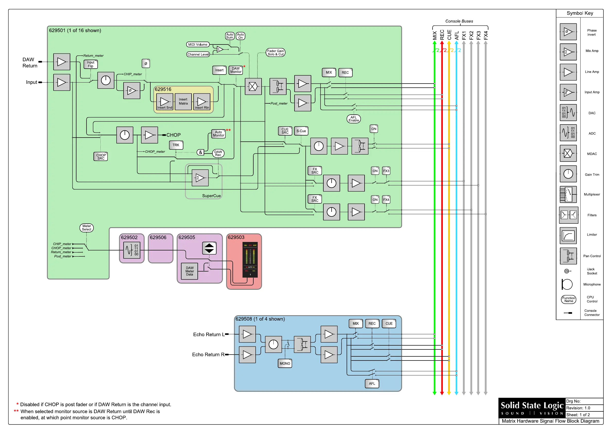
Ssl Matrix - Signal Flow Diagram

Ssl Matrix
156 pages
Print Icon
To Next Page IconTo Next Page
To Next Page IconTo Next Page
To Previous Page IconTo Previous Page
To Previous Page IconTo Previous Page
Loading...
82S6MTS61A

Table of Contents