EasyManua.ls Logo

Steris 4085 - Page 157

Steris 4085
177 pages
Print Icon
To Next Page IconTo Next Page
To Next Page IconTo Next Page
To Previous Page IconTo Previous Page
To Previous Page IconTo Previous Page
Loading...
27
764333-767
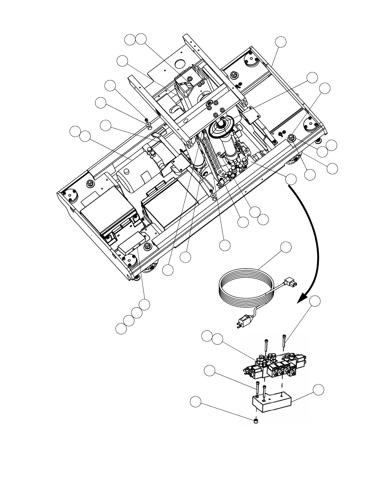
Figure 4. 4085 Surgical Table Base Assembly (2 of 2)
21
60
57
58
59
56
24
77
4
63
14
59
68
67
5
3
70
2
55
1
77
82
76
83
78
74
81
75
79
73
83
83
84

Table of Contents

Other manuals for Steris 4085

Related product manuals