EasyManua.ls Logo

STMicroelectronics STM32F429 - Figure 21. Clock Tree

STMicroelectronics STM32F429
1731 pages
Print Icon
To Next Page IconTo Next Page
To Next Page IconTo Next Page
To Previous Page IconTo Previous Page
To Previous Page IconTo Previous Page
Loading...
Reset and clock control for STM32F405xx/07xx and STM32F415xx/17xx(RCC) RM0090
216/1731 DocID018909 Rev 11
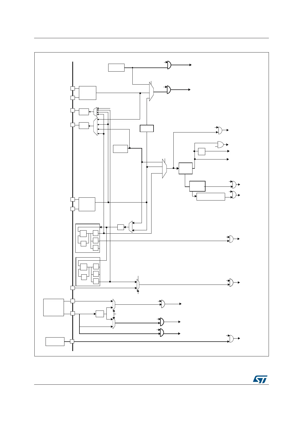
Figure 21. Clock tree
1. For full details about the internal and external clock source characteristics, refer to the Electrical characteristics section in
the device datasheet.
3//
9&2
[1
3
4
5
0
WR
3+<(WKHUQHW
WR0+]
86%3+<
WR0+]

0,,B50,,B6(/LQ6<6&)*B30&
$+%
35(6&

$3%[
35(6&

LI$3%[SUHVF [
HOVH[
/6(
(7+B0,,B7;B&/.B0,,
27*B+6B6&/
3//,6&/.
)&/.&RUWH[
IUHHUXQQLQJFORFN
$3%[
SHULSKHUDO
FORFNV
$3%[WLPHU
FORFNV
0+]
FORFNV
86%+6
8/3,FORFN
(WKHUQHW
373FORFN
0&2
3HULSKHUDO
FORFNHQDEOH
WR
0&2
DLG
(7+B0,,B5;B
&/.B0,,
26&B,1
26&B287
/6(26&
N+]
/6,5&
N+]
WR LQGHSHQGHQW
ZDWFKGRJ
/6(
/6,
WR57&
57&&/.
57&6(/>@
,:'*&/.
+6(26&
0+]
26&B,1
26&B287
+6,5&
0+]
3//&/.
+6,
+6,
+6(
6:
6<6&/.
0+]
PD[
+&/.
WR$+%EXVFRUH
PHPRU\DQG'0$
0+]PD[
WR&RUWH[6\VWHP
WLPHU

&ORFN
(QDEOH
3HULSKHUDO
FORFNHQDEOH
3//&.
,6FORFNV
3HULSKHUDO
FORFNHQDEOH
3HULSKHUDO
FORFNHQDEOH
0$&50,,&/.
0$&7;&/.
0$&5;&/.
WR(WKHUQHW0$&
3HULSKHUDO
FORFNHQDEOH
3HULSKHUDO
FORFNHQDEOH
:DWFKGRJ
HQDEOH
57&
HQDEOH
3HULSKHUDO
FORFNHQDEOH
3HULSKHUDO
FORFNHQDEOH
3HULSKHUDO
FORFNHQDEOH
WR
3//,6
9&2
[1
3
4
5
6<6&/.
([WFORFN
,665&
+6(B57&
+6(
,6B&.,1

Table of Contents

Other manuals for STMicroelectronics STM32F429

Related product manuals