EasyManua.ls Logo

STRIDE SE-SW5U - Page 34

STRIDE SE-SW5U
230 pages
Print Icon
To Next Page IconTo Next Page
To Next Page IconTo Next Page
To Previous Page IconTo Previous Page
To Previous Page IconTo Previous Page
Loading...
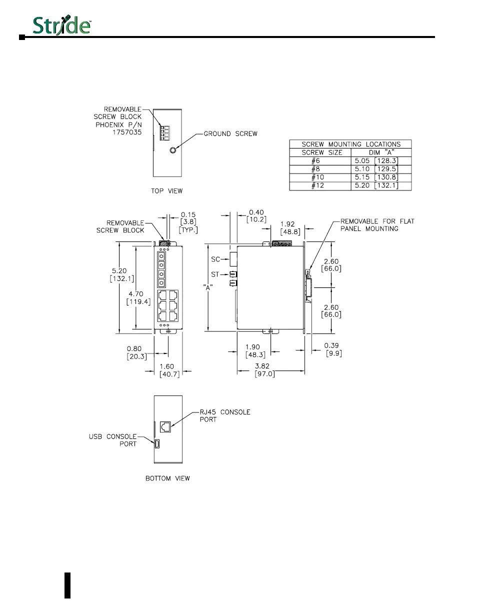
Mechanical Dimensions for 8-Port Managed Models with Fiber
Inches [mm]
SE-SW8M-2ST and SE-SW8M-2SC
1-20
Chapter 1 - Hardware
Stride Industrial Ethernet Switches User Manual 2nd Ed. Rev. B

Table of Contents