EasyManua.ls Logo

STRIDE SE-SW5U - Page 37

STRIDE SE-SW5U
230 pages
Print Icon
To Next Page IconTo Next Page
To Next Page IconTo Next Page
To Previous Page IconTo Previous Page
To Previous Page IconTo Previous Page
Loading...
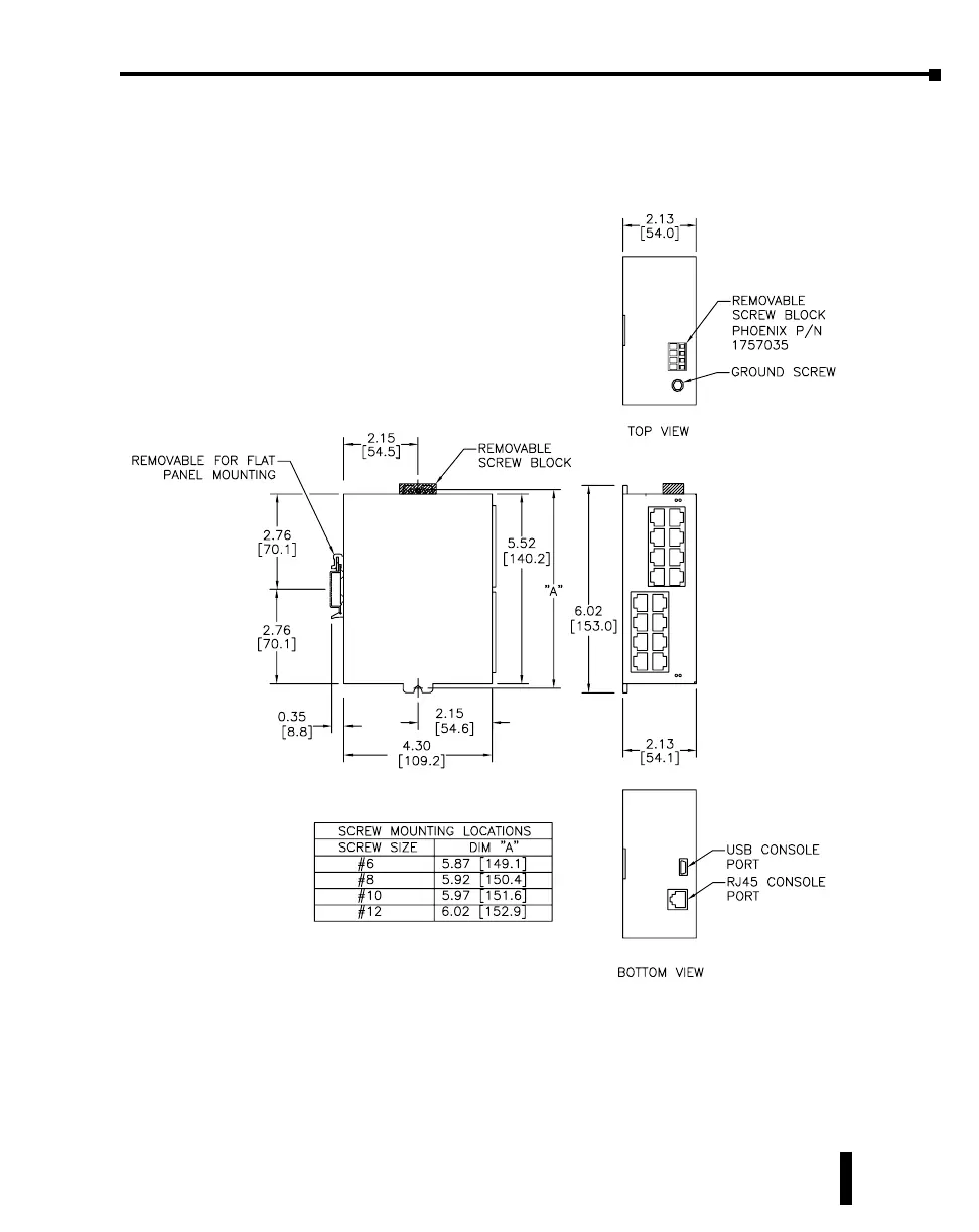
Mechanical Dimensions for 16-Port Managed Model
Inches [mm]
SE-SW16M
1-23
Chapter 1 - Hardware
Stride Industrial Ethernet Switches User Manual 2nd Ed. Rev. B

Table of Contents