EasyManua.ls Logo

SunFounder ESP32 - Page 356

Default Icon
771 pages
Print Icon
To Next Page IconTo Next Page
To Next Page IconTo Next Page
To Previous Page IconTo Previous Page
To Previous Page IconTo Previous Page
Loading...
SunFounder ESP32 Starter Kit
COMPONENT INTRODUCTION PURCHASE LINK
ESP32 WROOM 32E
ESP32 Camera Extension -
Breadboard
Jumper Wires
Centrifugal Pump -
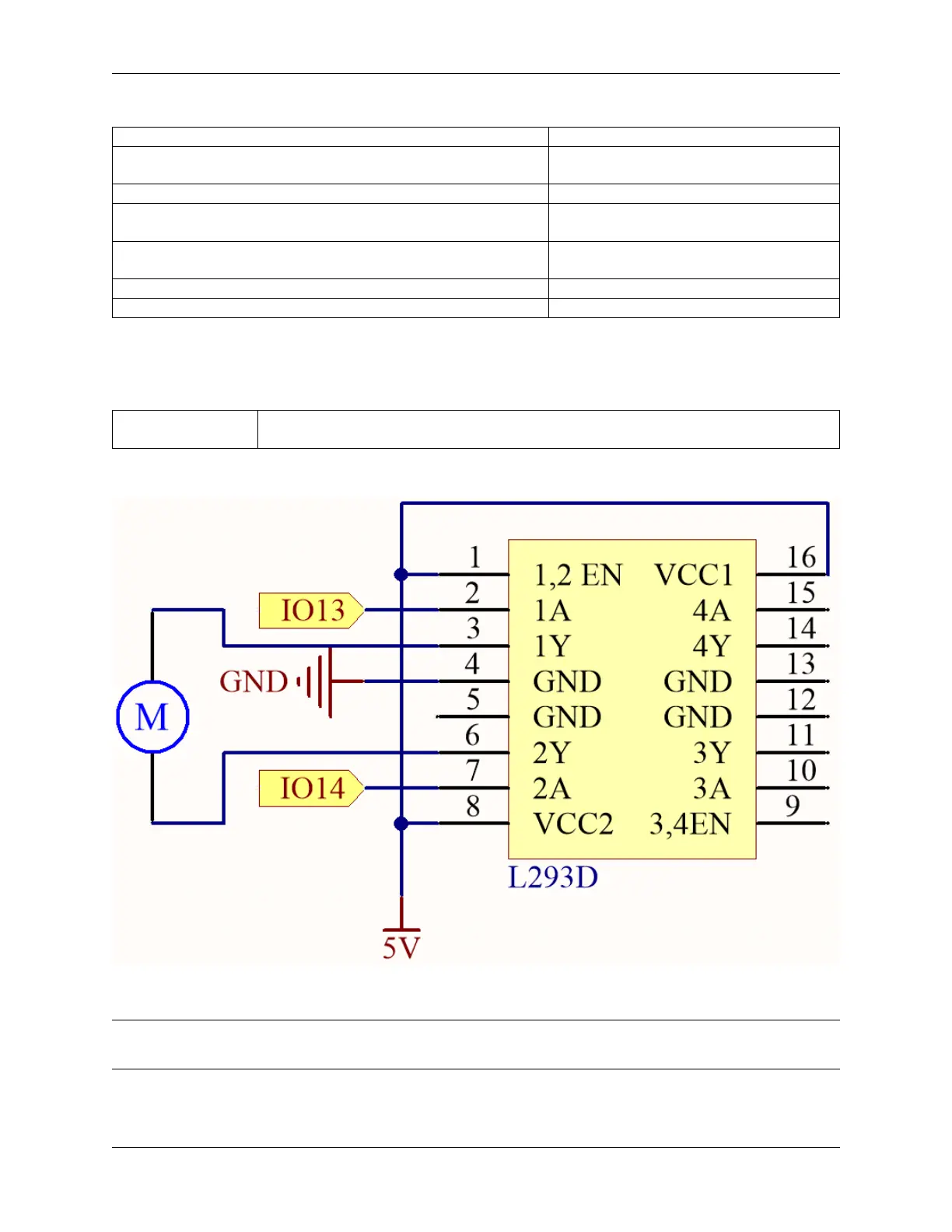
L293D -
Available Pins
Here is a list of available pins on the ESP32 board for this project.
Available Pins IO13, IO12, IO14, IO27, IO26, IO25, IO33, IO32, IO15, IO2, IO0, IO4, IO5, IO18, IO19,
IO21, IO22, IO23
Schematic
Wiring
Note: It is recommended here to insert the battery and then slide the switch on the expansion board to the ON position
to activate the battery supply.
350 Chapter 3. For MicroPython User

Table of Contents