EasyManua.ls Logo

SunFounder ESP32 - Page 59

Default Icon
771 pages
Print Icon
To Next Page IconTo Next Page
To Next Page IconTo Next Page
To Previous Page IconTo Previous Page
To Previous Page IconTo Previous Page
Loading...
SunFounder ESP32 Starter Kit
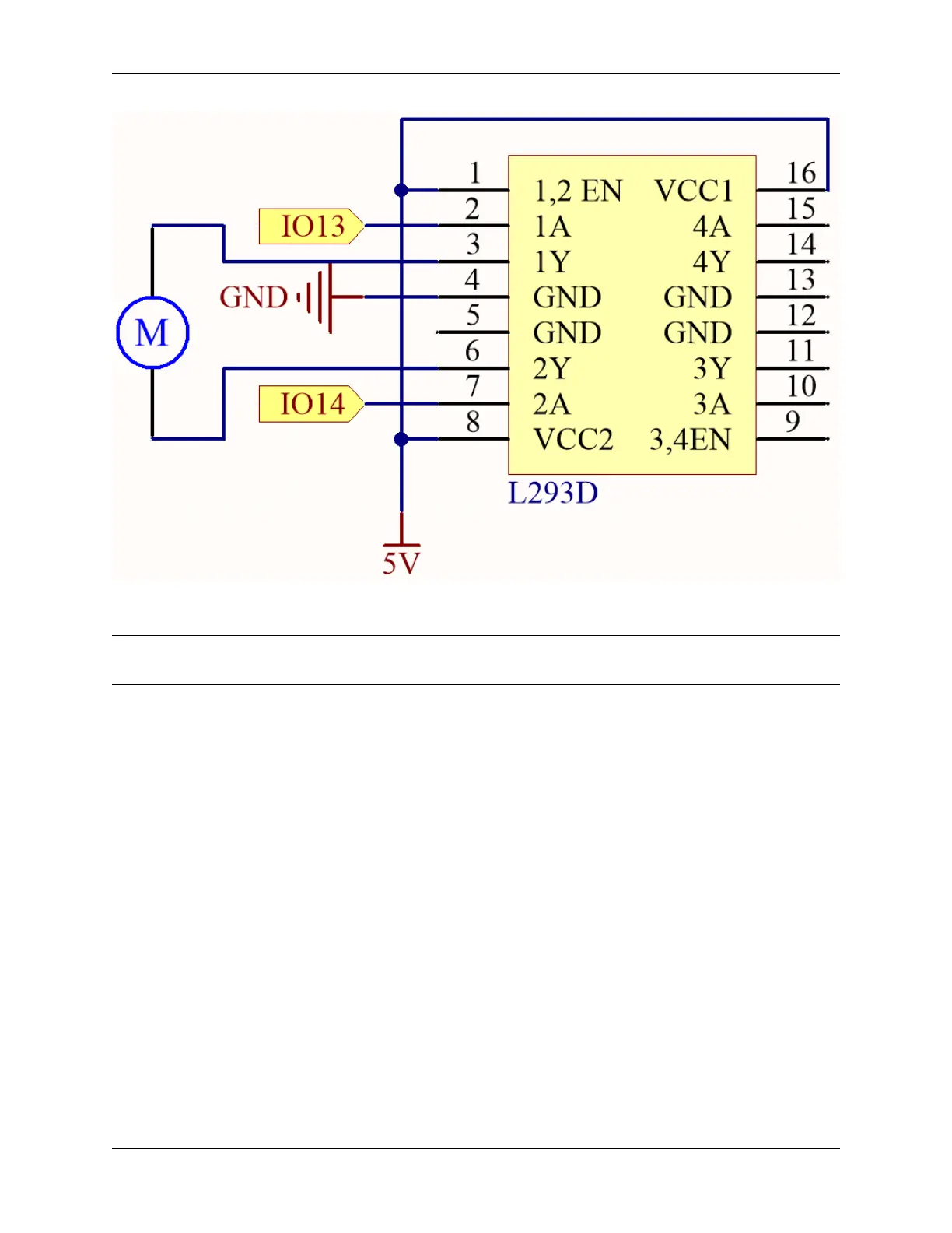
Wiring
Note: Since the motor requires a relatively high current, it is necessary to first insert the battery and then slide the
switch on the expansion board to the ON position to activate the battery supply.
1.14. 4.1 Motor 53

Table of Contents