EasyManua.ls Logo

Sungrow SH10RT - Page 30

Sungrow SH10RT
166 pages
Print Icon
To Next Page IconTo Next Page
To Next Page IconTo Next Page
To Previous Page IconTo Previous Page
To Previous Page IconTo Previous Page
Loading...
18
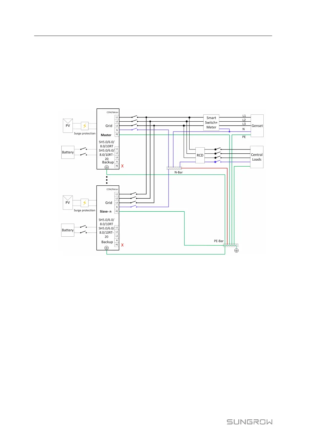
Only 2~5 inverters can be connected in parallel. If inverters of the same power are con-
nected in parallel, the output power is the sum of the power of each inverter. If inverters of
different power are connected in parallel, the output power is the product of the minimum
power value of a single inverter and the number of inverters.
Eg. If five inverters of 10kW are connected in parallel, the output power is 50kW; If three in-
verters of 10kW and one of 8kW are connected in parallel, the output power is 4 times 8kW,
that is, 32kW.
figure 2-6 Wiring diagram for Australia and New Zealand
2 Product Description User Manual

Table of Contents

Other manuals for Sungrow SH10RT

Related product manuals