EasyManua.ls Logo

Sungrow SH5.0RT - Page 45

Sungrow SH5.0RT
128 pages
Print Icon
To Next Page IconTo Next Page
To Next Page IconTo Next Page
To Previous Page IconTo Previous Page
To Previous Page IconTo Previous Page
Loading...
35
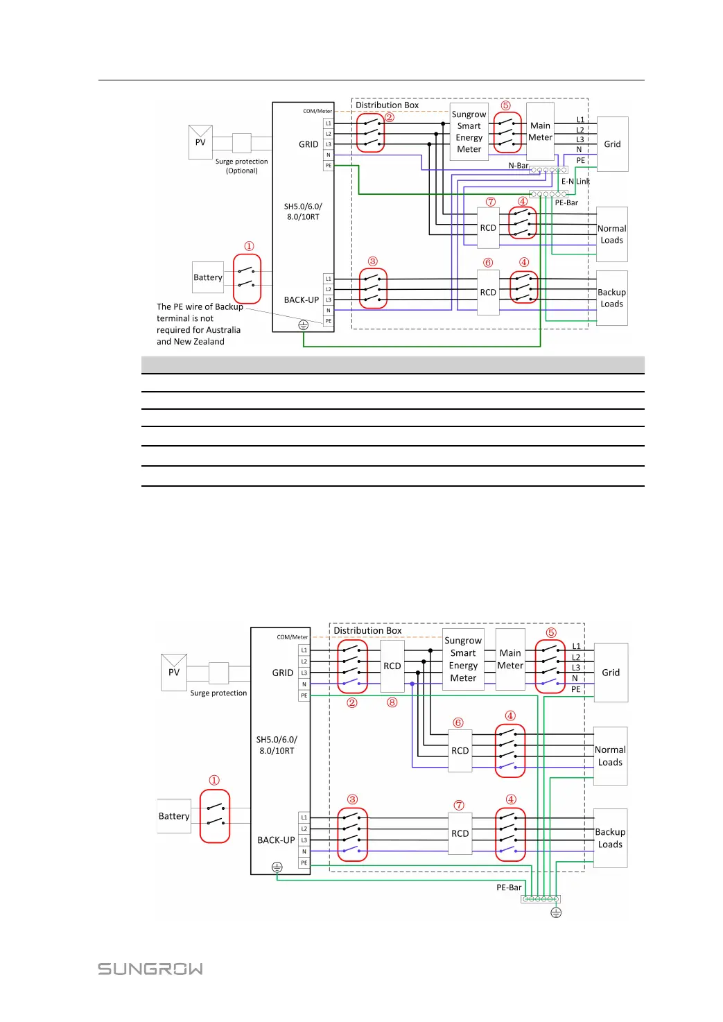
NO. SH5.0/6.0RT SH8.0/10RT
40A/600V DC breaker *
25A/400V AC breaker 32A/400V AC breaker
25A/400V AC breaker
Depends on loads
Depends on household loads and inverter capacity
⑥⑦
30mA RCD (Comply with local regulation)
Note: * If the battery is integrated with a readily accessible internal DC breaker, no additional
DC breaker is required.
Note: The values in the table are recommended values and can be set to other values ac-
cording to actual conditions.
For other countries, the following diagram is an example for grid systems without special re-
quirement on wiring connection.
User Manual 6 Electrical Connection

Table of Contents

Other manuals for Sungrow SH5.0RT

Related product manuals