EasyManua.ls Logo

Systema EOLO BC RT - Variant for Connecting Fans with Soft-Start (Optional)

Systema EOLO BC RT
88 pages
Print Icon
To Next Page IconTo Next Page
To Next Page IconTo Next Page
To Previous Page IconTo Previous Page
To Previous Page IconTo Previous Page
Loading...
40
4
SYSTEMA EOLO RT rev. 09ENIT04052021
ELECTRICAL CONNECTION
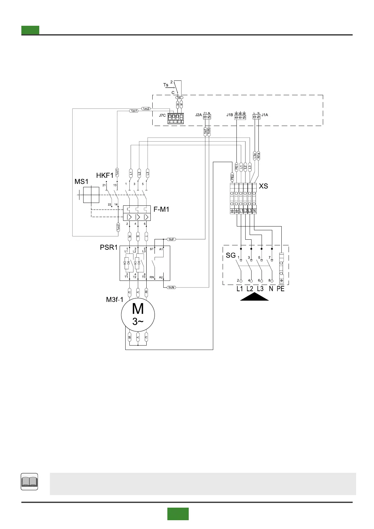
4.1.10 Variant for connecting fans with soft-start (optional)
APPLIANCES WITH ONE FAN AND THREE-PHASE AC ASYNCHRONOUS MOTOR
Connection to motherboard SCP674V130A1
POWER SUPPLY
3N/PE~50Hz 400V
Fig. 4.10 Electrical connection of a fan with soft-start
Please note
For the complete wiring of the appliance see also paragraphs 4.1.3 to 4.1.9.

Table of Contents