EasyManua.ls Logo

Televic TCS5500 - System Menu Part 2

Televic TCS5500
125 pages
Print Icon
To Next Page IconTo Next Page
To Next Page IconTo Next Page
To Previous Page IconTo Previous Page
To Previous Page IconTo Previous Page
Loading...
Page | 46
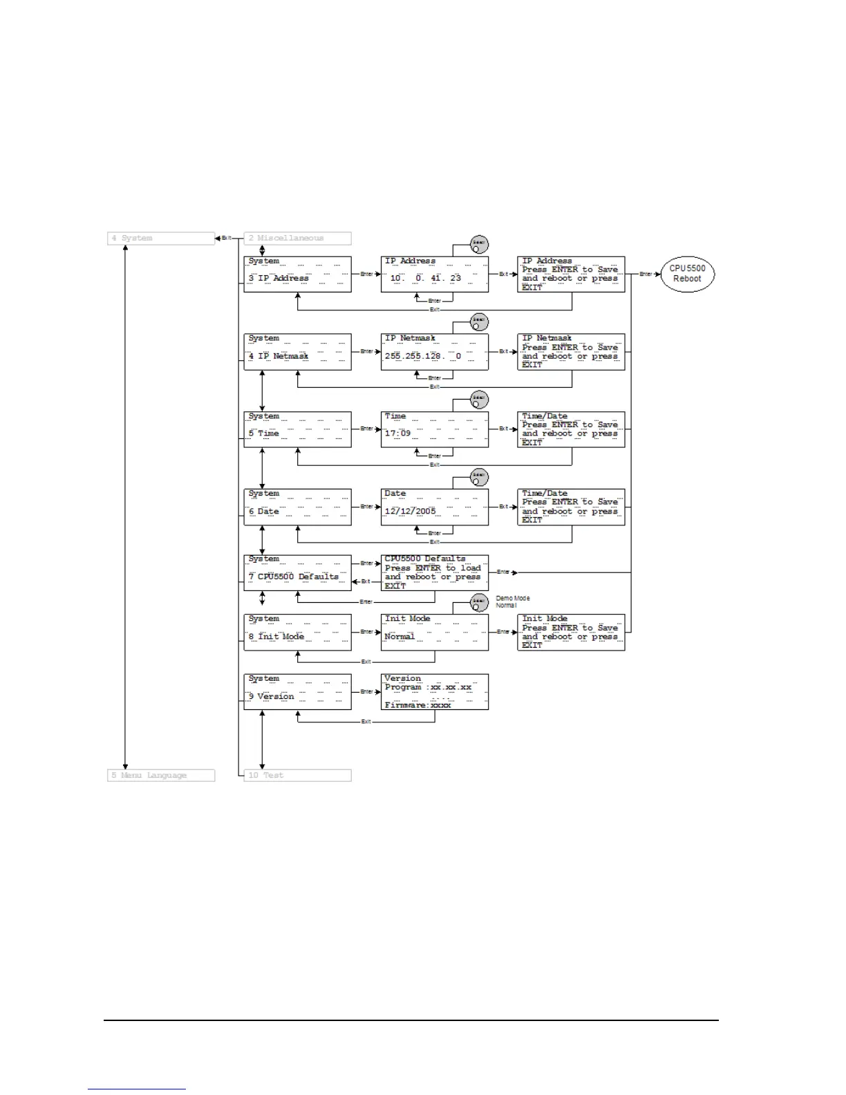
The System menu (2 of 2)

Table of Contents

Related product manuals