EasyManua.ls Logo

Thermal Dynamics PAK 200 - APPENDIX 9: Power Supply Schematic, CSA 600 V

Thermal Dynamics PAK 200
114 pages
Print Icon
To Next Page IconTo Next Page
To Next Page IconTo Next Page
To Previous Page IconTo Previous Page
To Previous Page IconTo Previous Page
Loading...
Manual 0-5057 A-16 APPENDIX
1
1
2
2
3
3
4
4
5
5
6
6
7
7
8
8
9
9
10
10
A A
B
B
C C
D D
E E
F
F
/ 600
COMMON
Isense_W
/ 600
Iref_G
P_ref
600
P_ref
P_ena
230
GNDW
COM
/ 230
GND_C
Isense_W
PGND2
/ 230
-15Vw
TEMP_C
-15V
INPUT_NG
I_senseP
+5V
GND
+15V
+15V
Iref_G
GNDW
+15Vw
P_ena
GND_C
TEMP_C
PGND1
+15V
MISSING_PHASE
COM_A
GNDP
/ 600
230_A
+15Vw
GNDP
600_A
+12V
-15Vw
-12V
I_senseP
SIGNAL
TORCH (-)
PILOT
WORK (+)
E
L1
L2
L3
+12VDC+12VDC
+15V
+12VDC
To PCB7 TB3
To T1 PRI - 0
FAN + (24 VDC)
NEG ARC VOLTS
To PCB7 CN2-5
FAN - (24 VDC)
WORK
From CN9 on PCB7
To PCB7 CN2-4
To PCB7 CN2-2
To PCB7 CN2-1
N2 P1
PILOT (TIP) VOLTS
DWG No:
Sheet
of
SupersedesScale
Date:
Drawn: References
Date
ByRevisions
Rev
PCB No:
Assy No:
Information Proprietary to THERMAL DYNAMICS CORPORATION.
Not For Release, Reproduction, or Distribution without Written Consent.
NOTE: UNLESS OTHERWISE SPECIFIED -
1. RESISTOR VALUES ARE EXPRESSED IN OHMS, 1/4W 5%.
2. CAPACITOR VALUES ARE EXPRESSED IN MICROFARADS (uF). Chk: App:
TITLE:
Last Modified:
Size
SCHEMATIC,
Thermal
Dynamics
AA
42X1313
Friday, January 18, 2008
1 2
Industrial Park #2
West Lebanon NH 03784
603-298-5711
PAK 200 Power Supply 600V
Thursday, January 10, 2008
14:32:11
Thermal Dynamics
D
DWG No:
Sheet
of
SupersedesScale
Date:
Drawn: References
Date
ByRevisions
Rev
PCB No:
Assy No:
Information Proprietary to THERMAL DYNAMICS CORPORATION.
Not For Release, Reproduction, or Distribution without Written Consent.
NOTE: UNLESS OTHERWISE SPECIFIED -
1. RESISTOR VALUES ARE EXPRESSED IN OHMS, 1/4W 5%.
2. CAPACITOR VALUES ARE EXPRESSED IN MICROFARADS (uF). Chk: App:
TITLE:
Last Modified:
Size
SCHEMATIC,
Thermal
Dynamics
AA
42X1313
Friday, January 18, 2008
1 2
Industrial Park #2
West Lebanon NH 03784
603-298-5711
PAK 200 Power Supply 600V
Thursday, January 10, 2008
14:32:11
Thermal Dynamics
D
DWG No:
Sheet
of
SupersedesScale
Date:
Drawn: References
Date
ByRevisions
Rev
PCB No:
Assy No:
Information Proprietary to THERMAL DYNAMICS CORPORATION.
Not For Release, Reproduction, or Distribution without Written Consent.
NOTE: UNLESS OTHERWISE SPECIFIED -
1. RESISTOR VALUES ARE EXPRESSED IN OHMS, 1/4W 5%.
2. CAPACITOR VALUES ARE EXPRESSED IN MICROFARADS (uF). Chk: App:
TITLE:
Last Modified:
Size
SCHEMATIC,
Thermal
Dynamics
AA
42X1313
Friday, January 18, 2008
1 2
Industrial Park #2
West Lebanon NH 03784
603-298-5711
PAK 200 Power Supply 600V
Thursday, January 10, 2008
14:32:11
Thermal Dynamics
D
RAS
< /OVER_TEMP
(C7, Sht 2)
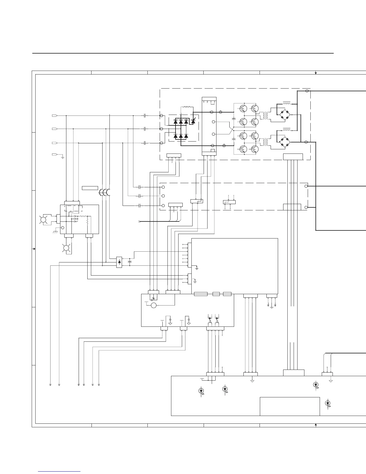
600 VAC 3 Phase
CN1
CN5 CN6
CN4
BIAS SUPPLY PCB
DETECTOR PCB
INPUT POWER
INDICATOR
REAR PANEL
CN5
> P_DEM (P_Iref)
(C7 & A9,Sht 2)
INPUT POWER
INDICATOR
INTERNAL
VAC_IN
(A1 Sht2)
(A1 Sht2)
> P_Enable (P_ena)
CN6
DAT
INTERFACE PCB
FILTER PCB
P_GND
PILOT REG.
(CHOPPER )
PCB2
WK-5754
(A1 Sht 2)
(A1 Sht 2)
HALL SENSOR
BIAS
POWER
C1 Capacitor, 0.1 uf, 1250 VDC (D2, Sht 2)
C2 Capacitor, 2 uf, 430VAC (A9, Sht 1)
C3 Capacitor 47 uf 400V (C1, Sht 2)
C.P1 Circuit protector/ON-OFF SW (B2, Sht 1)
10A, 690V, 3Ph
C.P2 Circuit protector 2.5A 125V (D2, Sht 1)
C.P3 Circuit protector 3.15A 125V (D2, Sht 1)
C.P4 Circuit protector 10A 125V (E2, Sht 1)
C.P5 Circuit protector 2.5A 125V (E2, Sht 1)
C.P6 Circuit protector 2.5A 125V (F2, Sht 1)
C.P7 Circuit protector 5A 125V (E2, Sht 1)
C.P8 Circuit protector 3.15A 125V (F3, Sht 1)
D1 Diode Bridge 20A, 1600V, 3P (D2, Sht 1)
D2 Diode, Dual, 2x100A, 600V (B8, Sht 1)
D3 Diode Bridge 25A, 800V, 1Ph (C1, Sht 2)
FAN1 Fan, Coolant, 24 VDC (F4, Sht 2)
FAN3 Fan, Chopper, 24 VDC (A8, Sht 1)
FL1 Flow sensor (B5, Sht 2)
(D2, Sht 2)
V_CHANGE PCB
600V only
(C7 & A9,Sht 2)
I_DET
HCT1 Hall Current Sensor, Pilot (B8, Sht 1)
HCT2 Hall Current Sensor, Work (C9, Sht 1)
LSW1 Level SW, coolant, NC (B5, Sht 2)
MC1 Contactor, 3P ,Inv 1 input, Coil (B3, Sht 2)
" Contacts (A2, B2, Sht 1)
" Aux Contact (B3, Sht 2)
MC2 Contactor, pilot, Coil (B3, Sht 2)
" Contacts (C8, Sht 1)
MC3 Contactor, 3P ,Inv 2 input, Coil (B3, Sht 2)
" Contacts (B2,C2, Sht 1)
" Aux Contact (B3, Sht 2)
MOT1 Motor, Pump 200VAC, 1P (E4, Sht 2)
NE1 Neon indicator, rear panel, 220VAC (C1, Sht 1)
NE2 Neon indicator, internal, 220VAC (C1, Sht 1)
R1a-f Resistor, Pilot, 0.6, 300W, (B8, sht 1)
(6 in series)
R6 Resistor, 20K ,30W (A8, Sht 1)
R7 Resistor, 1K ,30W (E2, Sht 2)
R9 Resistor, 50 ,40W (A9, Sht 1)
T1 Aux Transformer (D-F1, Sht 2)
TH1 Thermal Sensor, coolant return (B5, Sht 2)
ON / OFF
<
LINE to LINE,
LINE TO GND
CAPS & VARISTORS
I_SE
(C1, Sht 2)
PILOT REG.
(CHOPPER )
PCB1
WK-5750
<
PCB 1
WK-5857
HALL SENSOR
COMPONENT LOCATOR
16 CKT RIBBON CABLE
100A INVERTER MODULE # 1 (top)
PILOT CURRENT SIGNAL <
WORK CURRENT SIGNAL <
/ OVERTEMP <
CN6
PCB 5 WK-5602 (partial)
MISSING PHASE
(pulses)<
LED1 DIM = LOW, BRIGHT = OK
LED2 DIM = OK, BRIGHT = FAULT
LED3 DIM = OK, BRIGHT = FAULT
LED4 OFF = OK, ON = FAULT
LED5 OFF = OK, ON + FAULT
/PILOT ENABLE >
PILOT DEMAND >
CN6 16 CKT
CN6
PILOT REGULATOR
(CHOPPER)
P_GND
VAC_IN
Power Supply
Rear Panel
PCB3 WK-5694
PCB4 WK-5604
BIAS SUPPLY
FOR PCB5
(F2 -Sht2)
100A INVERTER MODULE # 2 (bottom)
(same as #1)
RIBBON CABLE SIGNALS
CN6 - 16 Ckt Ribbon Cable
2,4- I_REF (Scaled Cut Demand)
5- PS_START (Start)
6- REDUNDANT_START (Start2)
8- INV_READY
9- / PS_START disabled by Input_NG
12- / OCR
13- / PS_START disabled by OCR
14- /TEMP_ERR
15- / PS_START disabled by Temp _Err
--600--
DC FAN
POWER
(A2 Sht 2)
(A2 Sht 2)
PCB 8
WK-5687
RC &
RF CAPS
For this
version
of the
power supply
Pilot
Regulator
is not used
except to
provide power
and pass
signals from
HCT1, the
pilot current
sensor.
Pilot
Resistors,
R1a-f, are
used instead.
1-18-08
ECO-B731 (REL) DAT
LED3
INPUT NG
LED3
INPUT NG
+
-
+
-
1
2
3
45
6
CN1- not usedCN1- not used
1
2
3
4
CN3CN3
1
2
CN4CN4
1
2
3
4
CN32CN32
1
2
3
4
CN1CN1
1
5
8
MC1-CMC1-C
R1a-f 3.6
(6 x 0.6 ohm in series)
R1a-f 3.6
(6 x 0.6 ohm in series)
CN2CN2
1
2
C2
2 UF
C2
2 UF
CN4 - PCB12CN4 - PCB12
1
2
3
4
CN2CN2
1
2
3
TB4TB4
CN1CN1
1
2
3
4
CN2CN2
1
2
3
++
CN1CN1
1
2
3
4
5
6
7
FAN3FAN3
+ -
CN7CN7
1
2
3
4
5
CN4CN4
1
4
CN3CN3
1
2
3
4
MC1-AMC1-A
RR
CN4CN4
1
2
3
4
5
CN3CN3
1
2
P1P1
CN3CN3
1
+
RY2
RY2
+
RY2
RY2
CN33CN33
1
2
3
4
CN1CN1
1
2
LED5
ERROR
LED5
ERROR
MC2-BMC2-B
TB1TB1
SS
TB1TB1
P (+)1P (+)1
MC2-CMC2-C
R1R1
C.P1C.P1
P (+)P (+)
TB4TB4
R9
50
R9
50
CN17CN17
1
2
3
NE1NE1
CN4CN4
1
2
3
CN6CN6
1
2
3
N (-)N (-)
- +- +
3
1
2
4
CN2CN2
1
2
3
4
TB1TB1
CN1- not used
6
CN1- not used
6
1
2
3
4
CN5CN5
1
2
3
4
MC2-AMC2-A
LED4
CHOPPER TEMP
LED4
CHOPPER TEMP
TB2TB2
MC1-BMC1-B
TB1TB1TB5TB5
MC3-AMC3-A
++
THS1
SW_TEMP_NC
THS1
SW_TEMP_NC
MC3-CMC3-C
TB2TB2
D2D2
1
A1
2
K1
3
A2
4
K2
1
2
3
4
CN2 600VCN2 600V
1
2
3
4
CN4 - PCB12CN4 - PCB12
1
2
3
4
T1T1
CN9CN9
1
2
INRUSHINRUSH
230V230V
CN7CN7
1
2
3
4
5
R6
20K
30W
R6
20K
30W
TB3TB3
N (-)1N (-)1
TT
CN8CN8
1
2
HCT1HCT1
1
2
3
4
CN4CN4
1
2
3
4
5
TB3TB3
RY2RY2
CN18CN18
1
2
3
HCT2HCT2
1
2
3
4
CN10CN10
1
2
CN3CN3
1
4
WORKWORK
CN7CN7
1
2
3
4
5
CN32CN32
1
2
3
4
CN2CN2
1
2
3
MC3-BMC3-B
LED2
MISSING PHASE
LED2
MISSING PHASE
AC
AC
AC
+-
D1
AC
AC
AC
+-
D1
CN2CN2
1
2
3
NE2NE2
- +- +
3
1
2
4
TB2TB2
C4C4
S1S1
N2N2
CN1CN1
1
2
3
4
1 2
34
CN2-400VCN2-400V
1
2
3
4
CN5CN5
1
2
3
4
Art # A-08490
Art # A-08490
APPENDIX 9:
Power Supply Schematic, CSA 600V

Table of Contents

Related product manuals