EasyManua.ls Logo

Thermal Dynamics PAK 200 - Arc Starter Spark Gap Adjustment

Thermal Dynamics PAK 200
114 pages
Print Icon
To Next Page IconTo Next Page
To Next Page IconTo Next Page
To Previous Page IconTo Previous Page
To Previous Page IconTo Previous Page
Loading...
MAINTENANCE 5-4 Manual 0-5057
PAK 200
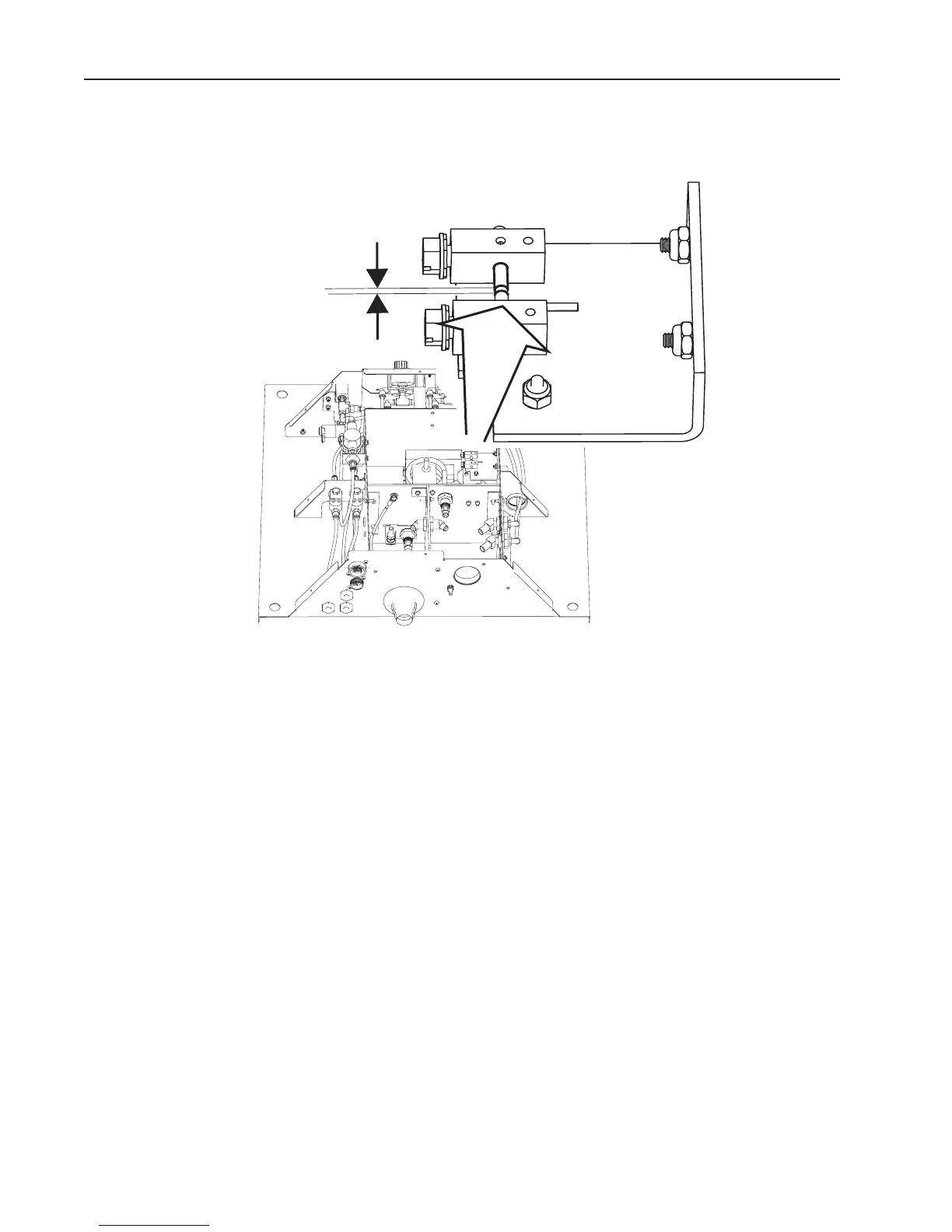
5.04 Arc Starter Spark Gap Adjustment
1. Shut off input power. Remove the top console cover.
2. Adjust the spark gap as shown. Re-install the top cover.
0.063" ± 0.002"
1.6 ± 0.05 mm
Art # A-04835

Table of Contents

Related product manuals