EasyManua.ls Logo

Thermal Dynamics PAK 200 - APPENDIX 7: Power Supply Schematic,460 V; 208 - 230 V Cont

Thermal Dynamics PAK 200
114 pages
Print Icon
To Next Page IconTo Next Page
To Next Page IconTo Next Page
To Previous Page IconTo Previous Page
To Previous Page IconTo Previous Page
Loading...
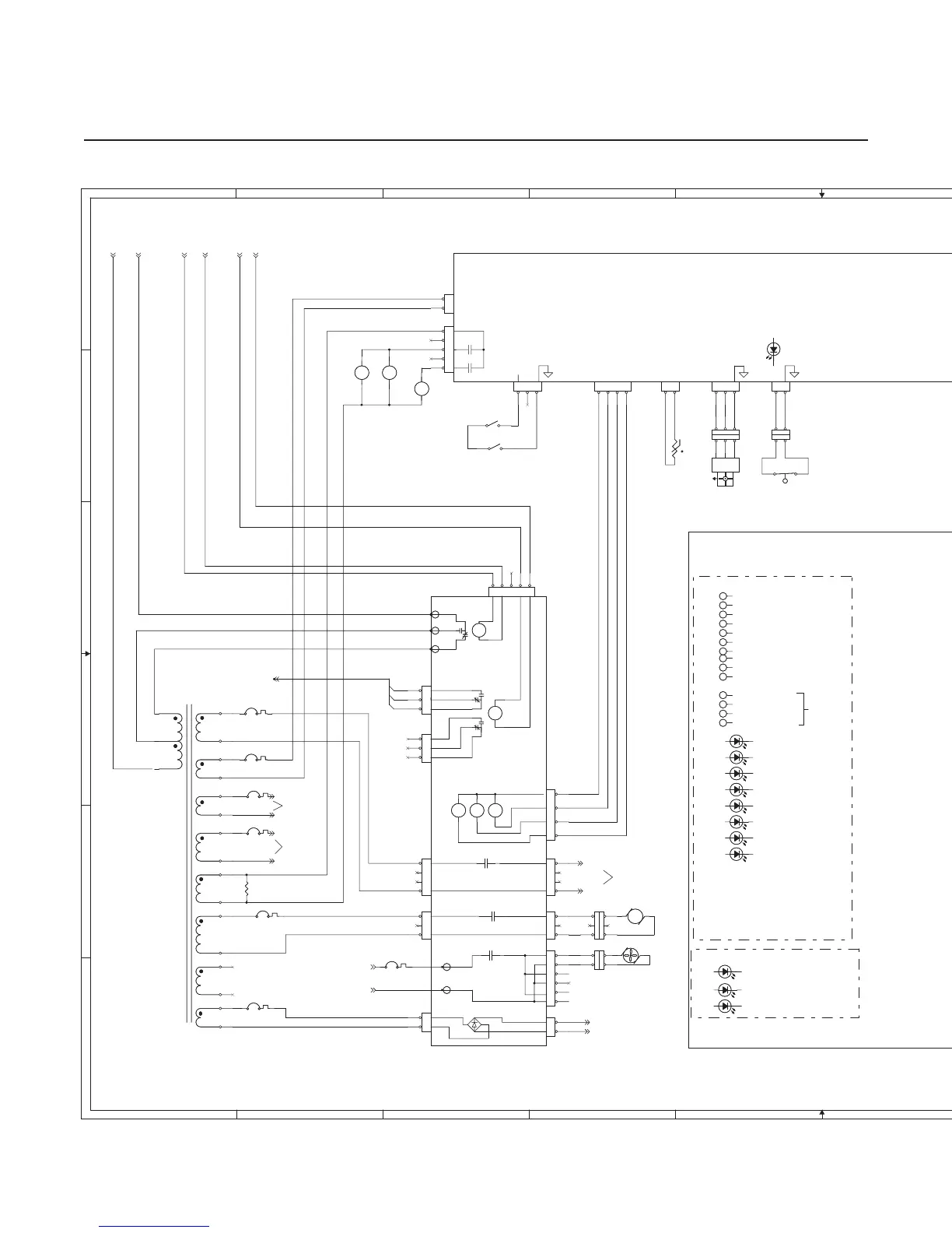
Manual 0-5057 A-10 APPENDIX
APPENDIX 7:
Power Supply Schematic,460V / 208 - 230V Cont.
Art # A-08487
Art # A-08487
1
1
2
2
3
3
4
4
5
5
6
6
7
7
8
8
9
9
10
10
A A
B
B
C C
D D
E E
F F
460
AC120V @ 1A
PLASMA ENABLE
AC13V @ 2A
/PUMP
+15V
+15V
COM_A
230_A
460_A
460
/FAN
230
/RAS
COM
230
PRESS OK (GCM 1000)
24VAC
460
24 VAC RET
PLASMA ENABLE
+15V
/ AC
/ TEMP
/ STATUS
/ DC
/ GAS - COOLANT
COM
AC200V @ 3A
POT HI (GCM1000)
230
POT WIPER (GCM1000)
POT LOW (GCM 1000)
+15V
- ARC V
- ARC V
0V-A (24V ret)
From CN9 on PCB7
To PCB7 CN2-1
DC 15V
DC 0V
AC120V-GCM
0V-B (120V ret)
To PCB7 CN2-2
AC120V-RAS
0V-RAS (120V ret)
To PCB7 CN2-4
To PCB7 CN2-5
To PCB7 TB3
0V-RAS
AC120V-RAS
FAN + (24 VDC)
NEG ARC VOLTS
AC24V-GCM
DC 15V
DC 0V
0V-A (24V ret)
AC120V-GCM
0V-B (120V ret)
FAN - (24 VDC)
PILOT (TIP) VOLTS
WORK
AC24V-GCM
WORK
0V-A (24V ret)
NEG ARC VOLTS
AC24V-GCM
0V-B (120V ret)
AC120V-GCM
To T1 PRI - 0
DWG No:
Sheet
of
SupersedesScale
Date:
Drawn: References
DateByRevisionsRev PCB No:
Assy No:
Information Proprietary to THERMAL DYNAMICS CORPORATION.
Not For Release, Reproduction, or Distribution without Written Consent.
NOTE: UNLESS OTHERWISE SPECIFIED -
1. RESISTOR VALUES ARE EXPRESSED IN OHMS, 1/4W 5%.
2. CAPACITOR VALUES ARE EXPRESSED IN MICROFARADS (uF). Chk: App:
TITLE:
Last Modified:
Size
SCHEMATIC,
AA
42X1311
Friday, January 18, 2008
2 2
INDUSTRIAL PARK #2
WEST LEBANON NH, 03784
603-298-5711
PAK 200 Power Supply 208-230/460V
Thursday, January 10, 2008
12:19:03
THERMAL DYNAMICS
D
DWG No:
Sheet
of
SupersedesScale
Date:
Drawn: References
DateByRevisionsRev PCB No:
Assy No:
Information Proprietary to THERMAL DYNAMICS CORPORATION.
Not For Release, Reproduction, or Distribution without Written Consent.
NOTE: UNLESS OTHERWISE SPECIFIED -
1. RESISTOR VALUES ARE EXPRESSED IN OHMS, 1/4W 5%.
2. CAPACITOR VALUES ARE EXPRESSED IN MICROFARADS (uF). Chk: App:
TITLE:
Last Modified:
Size
SCHEMATIC,
AA
42X1311
Friday, January 18, 2008
2 2
INDUSTRIAL PARK #2
WEST LEBANON NH, 03784
603-298-5711
PAK 200 Power Supply 208-230/460V
Thursday, January 10, 2008
12:19:03
THERMAL DYNAMICS
D
DWG No:
Sheet
of
SupersedesScale
Date:
Drawn: References
DateByRevisionsRev PCB No:
Assy No:
Information Proprietary to THERMAL DYNAMICS CORPORATION.
Not For Release, Reproduction, or Distribution without Written Consent.
NOTE: UNLESS OTHERWISE SPECIFIED -
1. RESISTOR VALUES ARE EXPRESSED IN OHMS, 1/4W 5%.
2. CAPACITOR VALUES ARE EXPRESSED IN MICROFARADS (uF). Chk: App:
TITLE:
Last Modified:
Size
SCHEMATIC,
AA
42X1311
Friday, January 18, 2008
2 2
INDUSTRIAL PARK #2
WEST LEBANON NH, 03784
603-298-5711
PAK 200 Power Supply 208-230/460V
Thursday, January 10, 2008
12:19:03
THERMAL DYNAMICS
D
(F1 Sht 1)
(F1 Sht 1)
PILOT
CONTACTOR
(C2, Sht 1)
INPUT CONTACTORs
MOMENTARY START / STOP
START / STOP
STOP
START
PILOT (TIP) VOLTAGE
COOLANT TEMP
(ON COOLANT
RETURN)
ISOLATED COMM
+16 to +18VDC
CCM MODULE
FROM CN18 PCB3
sht 1
KEY PLUG
+15VDC_ISO
TB1
TB2
-15VDC_ISO
+
-
RIBBON CABLE
TEST SOCKET
(F1 Sht 1)
(F1 Sht 1)
(D9, A10)
(F2 Sht 1)
(E2)
(E2)
ISOLATED
VOLTAGES
(D9, A10)
(F2 Sht 1)
JUMPER IN
REMOTE
HMI
NEG ARC VOLTS
SW6 - OK to MOVE CONTACTS / VOLTS
SW11 - ANALOG CURRENT SELECT
"B" DEFAULT, "A" REMOTE
DAT
Signal - Basic ID
Used to identify
GCM 1000 present
SW12 - DIVIDED ARC V RATIO SELECT
(E4)
SW13 - FACTORY ONLY
PCB7 WK-5628
RELAY PCB
RIBBON CABLE SIGNALS
/ = active low digital signal
CN10-J35 - 26 Ckt Ribbon Cable
2-Cut Demand
4-Pilot Demand
6-/ Start
7-/ Start2
9-/ Pilot Enable
10-/ HF Enable
12-/ Pump Enable
13-/ Fan Enable
15-/ DC Indicator
16-/ Over Temperature Indicator
18-/ Gas-Coolant OK Indicator
19-/ Status Lamp
CN11-J36 - 34 Ckt Ribbon Cable
1- Output Current Signal
3- / Arc Transferred (CSR)
4- / Pilot On
6- Coolant Flow (freq)
7- Coolant Temp (analog)
9- / Temp OK (Inverter/Chopper)
10- / Coolant Level OK
12- Missing Phase
13- / Ready to Operate
15- / Input Volts OK
16- / Inverter OCR
18- / PS ID "00*"
19- / PS ID "0*0"
20- / PS ID "*00"
21- E-Stop
22- E-Stop
29,31,33 - 24 VAC Supply
30,32,34 - 24 VAC Return
(F4)
CIRCUIT COMM (GND)
CN11 34 CKT CN10 26 CKT
(C9)
PCB 5 WK-5602 (partial) INTERFACE PCB
START / STOP
PILOT DEM to PS
ANALOG DEM to CPU
J36 34 CKT
PCB6 DISPLAY
WK-5603
J35 26 CKT
CUT DEM to PS
RIBBON CABLE
TEST SOCKET
(A9 SHT1)
(B9 SHT1)
(C9 SHT1)
PLASMA ENABLE
(E2)
INTERNAL TERMINAL
STRIP TB3
(C9, sht 1)
(A9, sht 1)
UNDIVIDED ARC VOLTS
FOR HEIGHT CONTROLS
24 VAC @ 1A
120 VAC @ 100ma.
(Not in all units)
POWER SUPPLY
REAR PANEL
E-STOP -
E-STOP +
TO AC
INDICATOR
(on PCB6)
29-41 VDC
+15VDC
+5VDC
-15VDC
I/O PCB
CPU PCB
Other CNC
functions
disabled
for hand torch
system
ECO-B731 (REL) DAT
1-18-08
FAN1FAN1
+ -
D1 GAS_OND1 GAS_ON
LED1
LEVEL
LED1
LEVEL
CN2CN2
1
2
TP4TP4
44
TB2TB2
1010
TB4TB4
GAS ONGAS ON
1
2
E-STOPE-STOP
1111
C.P7C.P7
RY4RY4
CN10CN10
1
2
3
4
5
6
1212
CN3CN3
1
2
3
CN20CN20
1
2
3
+
RY2
RELCOL_0
+
RY2
RELCOL_0
+V
GND
SIG
FL1
FLOW_TURBINE_PULSE
+V
GND
SIG
FL1
FLOW_TURBINE_PULSE
R BG
K6K6
GREEN2
DC
GREEN2
DC
1212
CN7CN7
1
2
3
4
44
MC3 AUXMC3 AUX
77
J9J9
1
2
3
4
5
6
C.P3C.P3
CN23CN23
1
2
3
4
5
6
1K1K
J5J5
1
2
3
4
5
D23 CNC_STARTD23 CNC_START
MC3MC3
1
2
3
PUMP
MOT1
PUMP
MOT1
' .
MC1 AUXMC1 AUX
TP8TP8
11
55
100K100K
66
C.P6C.P6
TP11TP11
1
2
3
TP12TP12
TP11TP11
99
CN10CN10
1
2
3
C.P2C.P2
CN11CN11
1
2
D12 STATUS CODE D12 STATUS CODE
LSW1-1
SW_LIQUID_LEVEL_NC
LSW1-1
SW_LIQUID_LEVEL_NC
D11 INITIALIZING / PROGRAMMINGD11 INITIALIZING / PROGRAMMING
J55-GCMJ55-GCM
1
2
3
4
5
6
7
8
9
10
11
12
13
14
15
16
17
18
19
20
21
22
23
24
25
26
27
28
29
30
31
32
33
34
35
36
37
1
2
PSRPSR
1111
D26 HOLD_STARTD26 HOLD_START
CN9CN9
1
2
3
C.P8C.P8
D13 +5VD13 +5V
J8J8
1
2
3
4
MC2MC2
TP1TP1
TP3TP3
C.P5C.P5
88
T1T1
460
220
0,
13
0,,
100
0.
200
0..
110
0...
120.
0_
24.
0__
24_
0___
120.
0___
TB3TB3
CN8CN8
1
2
3
4
77
J1J1
1
2
3
4
5
6
7
8
9
TP7TP7
TB5TB5
MC1MC1
TP1TP1
88
CN8CN8
1
2
3
4
1
2
33
t
TH1
t
TH1
TP5TP5
55
1
2
1010
D28 CNC_PREFLOWD28 CNC_PREFLOW
66
TB1TB1
11
CN24CN24
1
2
3
4
5
6
CN1CN1
1
2
66
RY3RY3
J15-CNCJ15-CNC
1
2
3
4
5
6
7
8
9
10
11
12
13
14
D2 E-STOP_PSD2 E-STOP_PS
K6-1K6-1
1
2
3
99
D21 CNC_E-STOPD21 CNC_E-STOP
CN12CN12
1
2
3
RY5RY5
99
1
2
3
22
RY4RY4
TP14TP14
D15 PSRD15 PSR
100K100K
J7J7
1
2
3
4
5
6
7
8
9
CN13CN13
1
2
3
RY3RY3
YELLOW
TEMP
YELLOW
TEMP
GREEN
AC
GREEN
AC
TP2TP2
CN2CN2
1
2
3
4
5
J4J4
1
3
5
7
1111
CN12CN12
1
2
44
88
TP13TP13
TP9TP9
33
22
J59-RASJ59-RAS
1
2
3
4
5
6
7
8
9
10
11
12
13
14
CN9CN9
1
2
3
4
5
CN14CN14
1
2
C.P4C.P4
D4 OK_CNCD4 OK_CNC
J6J6
1
5
8
TP6TP6
CN6CN6
1
2
3
4
TP10TP10
RED
STATUS
RED
STATUS
1010
TP12TP12
J54-REMOTE HMIJ54-REMOTE HMI
1
2
3
4
5
6
7
11
22
+
RY1
+
RY1
RY5RY5
55
77
R8
1K 30W
R8
1K 30W
1212
33
GREEN1
GAS
GREEN1
GAS

Table of Contents

Related product manuals