EasyManua.ls Logo

Thermal Dynamics PAK 200 - APPENDIX 9: Power Supply Schematic, CSA 600 V Cont

Thermal Dynamics PAK 200
114 pages
Print Icon
To Next Page IconTo Next Page
To Next Page IconTo Next Page
To Previous Page IconTo Previous Page
To Previous Page IconTo Previous Page
Loading...
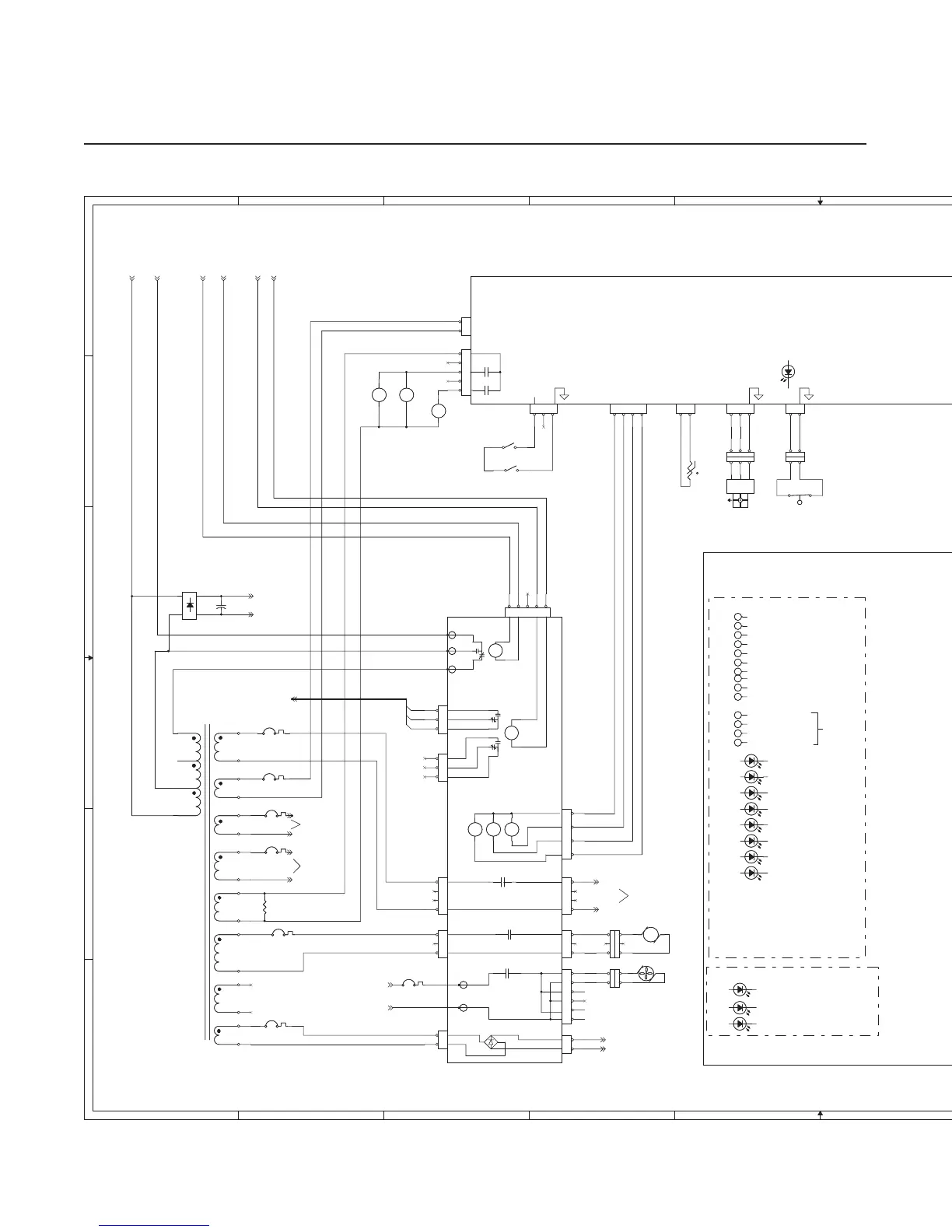
Manual 0-5057 A-18 APPENDIX
APPENDIX 9:
Power Supply Schematic, CSA 600V Cont.
1
1
2
2
3
3
4
4
5
5
6
6
7
7
8
8
9
9
10
10
A A
B B
C C
D D
E E
F F
600
AC120V @ 1A
PLASMA ENABLE
AC13V @ 2A
/PUMP
+15V
+15V
COM_A
230_A
600_A
600
/FAN
AC200V @ 3A
230 (not used)
/RAS
COM
230
PRESS OK (GCM 1000)
24VAC
600
24 VAC RET
PLASMA ENABLE
+15V
/ AC
/ TEMP
/ STATUS
/ DC
/ GAS - COOLANT
COM
POT HI (GCM1000)
230
POT WIPER (GCM1000)
POT LOW (GCM 1000)
+15V
- ARC V
- ARC V
0V-A (24V ret)
From CN9 on PCB7
To PCB7 CN2-1
DC 15V
DC 0V
AC120V-GCM
0V-B (120V ret)
N2
P1
To PCB7 CN2-2
AC120V-RAS
0V-RAS (120V ret)
To PCB7 CN2-4
To PCB7 CN2-5
To PCB7 TB3
0V-RAS
AC120V-RAS
FAN + (24 VDC)
NEG ARC VOLTS
AC24V-GCM
DC 15V
DC 0V
0V-A (24V ret)
AC120V-GCM
0V-B (120V ret)
FAN - (24 VDC)
PILOT (TIP) VOLTS
WORK
0V-A (24V ret)
NEG ARC VOLTS
AC24V-GCM
0V-B (120V ret)
AC120V-GCM
WORK
AC24V-GCM
To T1 PRI - 0
DWG No:
Sheet
of
SupersedesScale
Date:
Drawn: References
DateByRevisionsRev PCB No:
Assy No:
Information Proprietary to THERMAL DYNAMICS CORPORATION.
Not For Release, Reproduction, or Distribution without Written Consent.
NOTE: UNLESS OTHERWISE SPECIFIED -
1. RESISTOR VALUES ARE EXPRESSED IN OHMS, 1/4W 5%.
2. CAPACITOR VALUES ARE EXPRESSED IN MICROFARADS (uF). Chk: App:
TITLE:
Last Modified:
Size
SCHEMATIC,
Thermal
Dynamics
AA
42X1313
Friday, January 18, 2008
2 2
Industrial Park #2
West Lebanon NH 03784
603-298-5711
PAK 200 Power Supply 600V
Thursday, January 10, 2008
14:32:11
Thermal Dynamics
D
DWG No:
Sheet
of
SupersedesScale
Date:
Drawn: References
DateByRevisionsRev PCB No:
Assy No:
Information Proprietary to THERMAL DYNAMICS CORPORATION.
Not For Release, Reproduction, or Distribution without Written Consent.
NOTE: UNLESS OTHERWISE SPECIFIED -
1. RESISTOR VALUES ARE EXPRESSED IN OHMS, 1/4W 5%.
2. CAPACITOR VALUES ARE EXPRESSED IN MICROFARADS (uF). Chk: App:
TITLE:
Last Modified:
Size
SCHEMATIC,
Thermal
Dynamics
AA
42X1313
Friday, January 18, 2008
2 2
Industrial Park #2
West Lebanon NH 03784
603-298-5711
PAK 200 Power Supply 600V
Thursday, January 10, 2008
14:32:11
Thermal Dynamics
D
DWG No:
Sheet
of
SupersedesScale
Date:
Drawn: References
DateByRevisionsRev PCB No:
Assy No:
Information Proprietary to THERMAL DYNAMICS CORPORATION.
Not For Release, Reproduction, or Distribution without Written Consent.
NOTE: UNLESS OTHERWISE SPECIFIED -
1. RESISTOR VALUES ARE EXPRESSED IN OHMS, 1/4W 5%.
2. CAPACITOR VALUES ARE EXPRESSED IN MICROFARADS (uF). Chk: App:
TITLE:
Last Modified:
Size
SCHEMATIC,
Thermal
Dynamics
AA
42X1313
Friday, January 18, 2008
2 2
Industrial Park #2
West Lebanon NH 03784
603-298-5711
PAK 200 Power Supply 600V
Thursday, January 10, 2008
14:32:11
Thermal Dynamics
D
(F1 Sht 1)
(F1 Sht 1)
PILOT
CONTACTOR
(C2, Sht 1)
INPUT CONTACTORs
MOMENTARY START / STOP
START / STOP
STOP
START
PILOT (TIP) VOLTAGE
COOLANT TEMP
(ON COOLANT
RETURN)
ISOLATED COMM
+16 to +18VDC
CCM MODULE
FROM CN18 PCB3
sht 1
KEY PLUG
RIBBON CABLE SIGNALS
/ = active low digital signal
CN10-J35 - 26 Ckt Ribbon Cable
2-Cut Demand
4-Pilot Demand
6-/ Start
7-/ Start2
9-/ Pilot Enable
10-/ HF Enable
12-/ Pump Enable
13-/ Fan Enable
15-/ DC Indicator
16-/ Over Temperature Indicator
18-/ Gas-Coolant OK Indicator
19-/ Status Lamp
CN11-J36 - 34 Ckt Ribbon Cable
1- Output Current Signal
3- / Arc Transferred (CSR)
4- / Pilot On
6- Coolant Flow (freq)
7- Coolant Temp (analog)
9- / Temp OK (Inverter/Chopper)
10- / Coolant Level OK
12- Missing Phase
13- / Ready to Operate
15- / Input Volts OK
16- / Inverter OCR
18- / PS ID "00*"
19- / PS ID "0*0"
20- / PS ID "*00"
21- E-Stop
22- E-Stop
29,31,33 - 24 VAC Supply
30,32,34 - 24 VAC Return
(A7, Sht 1)
+15VDC_ISO
TB1
TB2
-15VDC_ISO
+
-
RIBBON CABLE
TEST SOCKET
(F1 Sht 1)
Signal - Basic ID
Used to identify
GCM 1000 present
(F1 Sht 1)
(D9, A10)
(F2 Sht 1)
(E2)
(E2)
ISOLATED
VOLTAGES
(D9, A10)
(F2 Sht 1)
JUMPER IN
REMOTE
HMI
NEG ARC VOLTS
SW6 - OK to MOVE CONTACTS / VOLTS
SW11 - ANALOG CURRENT SELECT
"B" DEFAULT, "A" REMOTE
DAT
SW12 - DIVIDED ARC V RATIO SELECT
(E4)
SW13 - FACTORY ONLY
PCB7 WK-5628
RELAY PCB
(F4)
CIRCUIT COMM (GND)
CN11 34 CKT CN10 26 CKT
(C9)
PCB 5 WK-5602 (partial) INTERFACE PCB
START / STOP
PILOT DEM to PS
ANALOG DEM to CPU
(E2)
INTERNAL TERMINAL
STRIP TB3
(C9, sht 1)
J36 34 CKT
(A9, sht 1)
UNDIVIDED ARC VOLTS
FOR HEIGHT CONTROLS
24 VAC @ 1A
120 VAC @ 100ma.
(Not in all units)
PCB6 DISPLAY
WK-5603
J35 26 CKT
CUT DEM to PS
RIBBON CABLE
TEST SOCKET
PLASMA ENABLE
POWER SUPPLY
REAR PANEL
E-STOP -
E-STOP +
TO AC
INDICATOR
(on PCB6)
29-41 VDC
+15VDC
+5VDC
-15VDC
(A9 SHT1)
(B9 SHT1)
I/O PCB
(C9 SHT1)
CPU PCB
Other CNC
functions
disabled for
hand torch
system
DATECO-B731 (REL)
1-18-08
33
TP12TP12
1212
22
J8J8
1
2
3
4
C.P7C.P7
88
R8
1K 30W
R8
1K 30W
CN23CN23
1
2
3
4
5
6
GREEN2
DC
GREEN2
DC
RY4RY4
1
2
3
TP8TP8
44
1111
CN8CN8
1
2
3
4
1
2
CN13CN13
1
2
3
TP1TP1
99
1K1K
1
2
3
D28 CNC_PREFLOWD28 CNC_PREFLOW
J59-RASJ59-RAS
1
2
3
4
5
6
7
8
9
10
11
12
13
14
C.P8C.P8
RY4RY4
CN1CN1
1
2
J4J4
1
3
5
7
J9J9
1
2
3
4
5
6
55
TP14TP14
1010
AC
AC
+-
D3
AC
AC
+-
D3
CN14CN14
1
2
J5J5
1
2
3
4
5
22
TP1TP1
D12 STATUS CODE D12 STATUS CODE
CN12CN12
1
2
CN2CN2
1
2
3
4
5
TP2TP2
J7J7
1
2
3
4
5
6
7
8
9
D1 GAS_OND1 GAS_ON
100K100K
66
TP13TP13
RY3RY3
CN9CN9
1
2
3
1111
MC2MC2
11
33
D13 +5VD13 +5V
TP11TP11
77
CN10CN10
1
2
3
J54-REMOTE HMIJ54-REMOTE HMI
1
2
3
4
5
6
7
+
RY2
+
RY2
+
RY1
+
RY1
K6K6
11
CN7CN7
1
2
3
4
+
C12
+
C12
TB3TB3
44
TP7TP7
T1T1
600
220
0,
13
0,,
100
0.
200
0..
110
0...
120.
0_
24.
0__
24_
0___
120.
0___
1212
1010
t
TH1
t
TH1
MC1MC1
TB5TB5
MC3 AUXMC3 AUX
99
55
LED1
LEVEL
LED1
LEVEL
CN2CN2
1
2
1111
CN24CN24
1
2
3
4
5
6
K6-2K6-2
C.P3C.P3
TP11TP11
55
TP4TP4
1
2
66
CN3CN3
1
2
3
LSW1-1
SW_LIQUID_LEVEL_NC
LSW1-1
SW_LIQUID_LEVEL_NC
E-STOPE-STOP
D2 E-STOP_PSD2 E-STOP_PS
C.P6C.P6
PUMP
MOT1
PUMP
MOT1
' .
TB1TB1
99
CN10CN10
1
2
3
4
5
6
88
+V
GND
SIG
FL1
FLOW_TURBINE_PULSE
+V
GND
SIG
FL1
FLOW_TURBINE_PULSE
R BG
1212
CN12CN12
1
2
3
88
TP12TP12
GREEN
AC
GREEN
AC
77
J55-GCMJ55-GCM
1
2
3
4
5
6
7
8
9
10
11
12
13
14
15
16
17
18
19
20
21
22
23
24
25
26
27
28
29
30
31
32
33
34
35
36
37
1
2
3
PSRPSR
YELLOW
TEMP
YELLOW
TEMP
CN11CN11
1
2
D23 CNC_STARTD23 CNC_START
RY5RY5
MC1 AUXMC1 AUX
1010
TP9TP9
D15 PSRD15 PSR
CN9CN9
1
2
3
4
5
11
CN20CN20
1
2
3
66
FAN1FAN1
+
-
TP6TP6
D21 CNC_E-STOPD21 CNC_E-STOP
MC3MC3
TP5TP5
D4 OK_CNCD4 OK_CNC
J6J6
1
5
8
1
2
3
J1J1
1
2
3
4
5
6
7
8
9
CN6CN6
1
2
3
4
RED
STATUS
RED
STATUS
RY5RY5
44
C.P2C.P2
GREEN1
GAS
GREEN1
GAS
D11 INITIALIZING / PROGRAMMINGD11 INITIALIZING / PROGRAMMING
22
1
2
33
C.P5C.P5
CN8CN8
1
2
3
4
D26 HOLD_STARTD26 HOLD_START
77
TB2TB2
TP3TP3
J15-CNCJ15-CNC
1
2
3
4
5
6
7
8
9
10
11
12
13
14
C.P4C.P4
1
2
100K3100K3
GAS ONGAS ON
TB4TB4
TP10TP10
RY3RY3
Art # A-08491
Art # A-08491

Table of Contents

Related product manuals