EasyManua.ls Logo

Thermal Dynamics PAK 200 - Page 97

Thermal Dynamics PAK 200
114 pages
Print Icon
To Next Page IconTo Next Page
To Next Page IconTo Next Page
To Previous Page IconTo Previous Page
To Previous Page IconTo Previous Page
Loading...
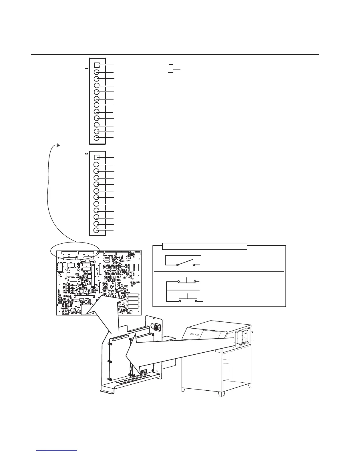
Manual 0-5057 A-5 APPENDIX
APPENDIX 5:
CNC - Control Module Board PCB Connections
Art # A-04900
TB1-1 E-Stop (Com)
TB1-2 E-Stop
TB1-3
TB1-4 Stop Latched
TB1-5 Start / Stop Ret
TB1-6 Start / Stop or Start Latched (NO)
TB1-7 Divided Arc Voltage (-)
TB1-8 Divided Arc Voltage (+)
TB1-9 Remote Analog Current Control (0-10V) (-)
TB1-10 Remote Analog Current Control (0-10V) (+)
TB1-11
TB1-12
TB2-1 Hold Start (-)
TB2-2 Hold Start (+)
TB2-3 Preflow On (-)
TB2-4 Preflow On (+)
TB2-5
TB2-6 Pilot On (Relay Contacts NO)
TB2-7
TB2-8 Pilot On (Relay Contacts NO)
TB2-9
TB2-10 OK to Move (Contacts or DC Volts) (-)
TB2-11
TB2-12 OK to Move (Contacts or DC Volts) (+)
TB2
TB1
Sustained Start / Stop
TB1-5
TB1-6
Momentary Start / Stop
TB1-4
TB1-5
TB1-6
Stop
Start
Start / Stop Circuit Configurations
These points are jumpered together at the factory.
Remove the jumper to use existing E-Stop circuits.

Table of Contents

Related product manuals