EasyManua.ls Logo

Toa A-9120DHM2 - When the ZM-9001 or ZM-9002 Is Connected; When the ZM-9003 Is Connected; When the SS-9001 Is Connected

Toa A-9120DHM2
160 pages
Print Icon
To Next Page IconTo Next Page
To Next Page IconTo Next Page
To Previous Page IconTo Previous Page
To Previous Page IconTo Previous Page
Loading...
108
Note
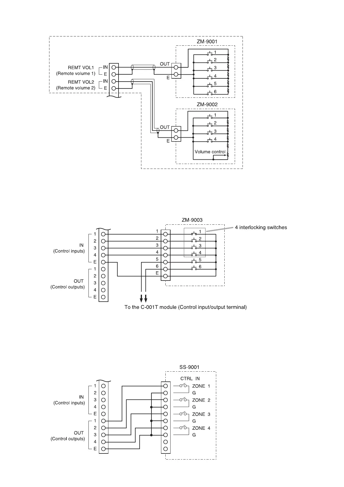
One ZM-9001 or one ZM-9002 can
be connected to each of the REMT
VOL1 and 2 terminals.
14.1.2. When the ZM-9001 or ZM-9002 is connected
14.1.3. When the ZM-9003 is connected
Output terminal Nos. 1 – 4 of the ZM-9003 are internally connected to the interlocking switches and Nos. 5
and 6 to the momentary switches.
Connect these terminals to the Control input terminals of the main unit or C-001T depending on applications.
14.1.4. When the SS-9001 is connected
The control input terminals of SS-9001 are polarized non-voltage contact inputs.
When the control output terminals of 9000M2 series amplifier are closed, the corresponding internal relays of
the SS-9001 are activated.
Make necessary connections depending on applications.

Table of Contents

Other manuals for Toa A-9120DHM2

Related product manuals