EasyManua.ls Logo

Toa A-9120DHM2 - SS-9001 (Speaker Selector)

Toa A-9120DHM2
160 pages
Print Icon
To Next Page IconTo Next Page
To Next Page IconTo Next Page
To Previous Page IconTo Previous Page
To Previous Page IconTo Previous Page
Loading...
31
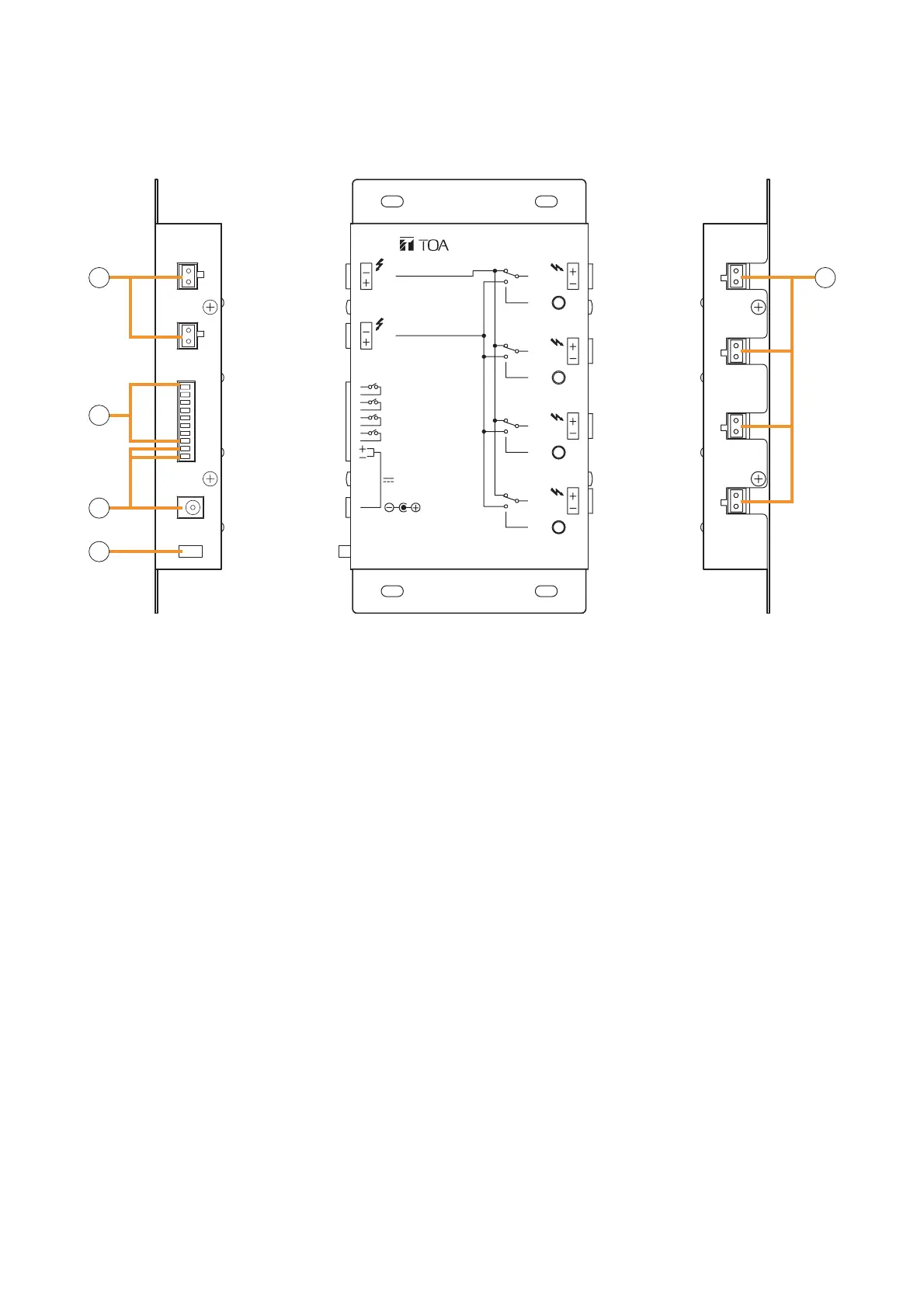
7.3.9. SS-9001 (Speaker Selector)
The SS-9001 selectively distributes each of 2 inputs to the same 4 output zones.
32. Speaker input terminals [IN 1, IN 2]
2-pin removable terminal blocks.
Connect the speaker output (high impedance line, up to 240 W) from the power amplifier to each terminal.
Short the IN 2 terminal's pins when only the IN 1 terminal is used.
33. Control input terminal [CTRL IN]
8 pins in the 10-pin removable terminal block.
This terminal can also receive control signals from the control output terminals of the 9000M2 series
amplifier or C-001T Control I/O Expansion Module.
34. DC power input terminals [DC IN]
Requires the power input of 24 V DC.
DC input terminal or 2 pins in the 10-pin removable terminal block.
Connect the power source that can supply 200 mA or more to this terminal.
The optional AD-246 AC Adapter can be used for the power supply.
35. Cord clamp
Fixes the AC adapter's power cord. (P. 119 "Power Source Connections to the SS-9001")
36. Speaker output terminals [ZONE 1/2/3/4]
2-pin removable terminal blocks.
Connect speakers to each terminal, which is capable of delivering 240 W output on a line.
9000 SERIES
SPEAKER SELECTOR
ZONE 1IN 1
70V/100V MAX. 240W
70V/100V MAX. 240W
IN
2
ZONE 2
ZONE 2
ZONE 1
G
G
G
G
ZONE 4
ZONE 3
ZONE 3
CTRL IN
DC IN
24V
120mA
IN
2
IN
2
ZONE 4
IN
2
IN
2
32
33
34
35
36

Table of Contents

Other manuals for Toa A-9120DHM2

Related product manuals