EasyManua.ls Logo

WACKER Group LTC 4 - Operation; Information Regarding Operation; Locating Trailer

WACKER Group LTC 4
166 pages
Print Icon
To Next Page IconTo Next Page
To Next Page IconTo Next Page
To Previous Page IconTo Previous Page
To Previous Page IconTo Previous Page
Loading...
LTC 4L Operation
wc_tx000543gb.fm 23
3. Operation
3.1 Information Regarding Operation
3.1.1 The information regarding the operation of the machine included in this
manual is condensed. Refer to the Operator’s Manual for complete
operating instructions. Always read, understand, and follow the
procedures in the Operator’s Manual when operating the machine.
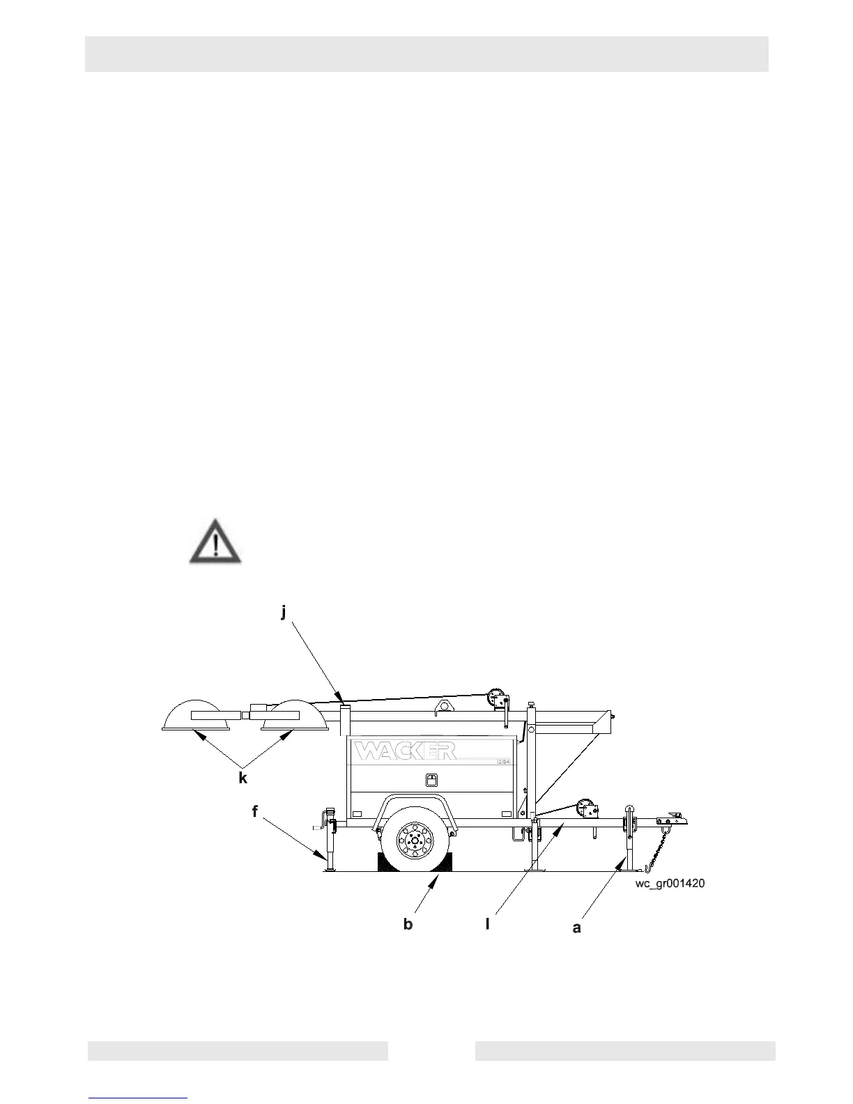
3.2 Locating Trailer
See Graphic: wc_gr0001420
3.2.1 For maximum light coverage locate the Light Tower at ground level or
in a spot higher than the area being lighted.
3.2.2 Position the trailer on a firm, flat surface clear of overhead wires and
obstructions. Be sure that there is enough area for outrigger
extensions to be fully extended.
3.2.3 Connect the ground stud (l) located on the trailer frame, to a good
earthen ground. Consult local codes for proper grounding techniques.
The tower extends up to 9 m (30 ft.). Make sure the area above the
trailer is open and clear of overhead wires and obstructions.
WARNIN
G

Table of Contents