EasyManua.ls Logo

Wecon VD2F-010SA1P - Page 43

Default Icon
133 pages
Print Icon
To Next Page IconTo Next Page
To Next Page IconTo Next Page
To Previous Page IconTo Previous Page
To Previous Page IconTo Previous Page
Loading...
Wecon VD2 SA Series Servo Drives Manual (Lite V1.1)
WECON technology Co., Ltd
37
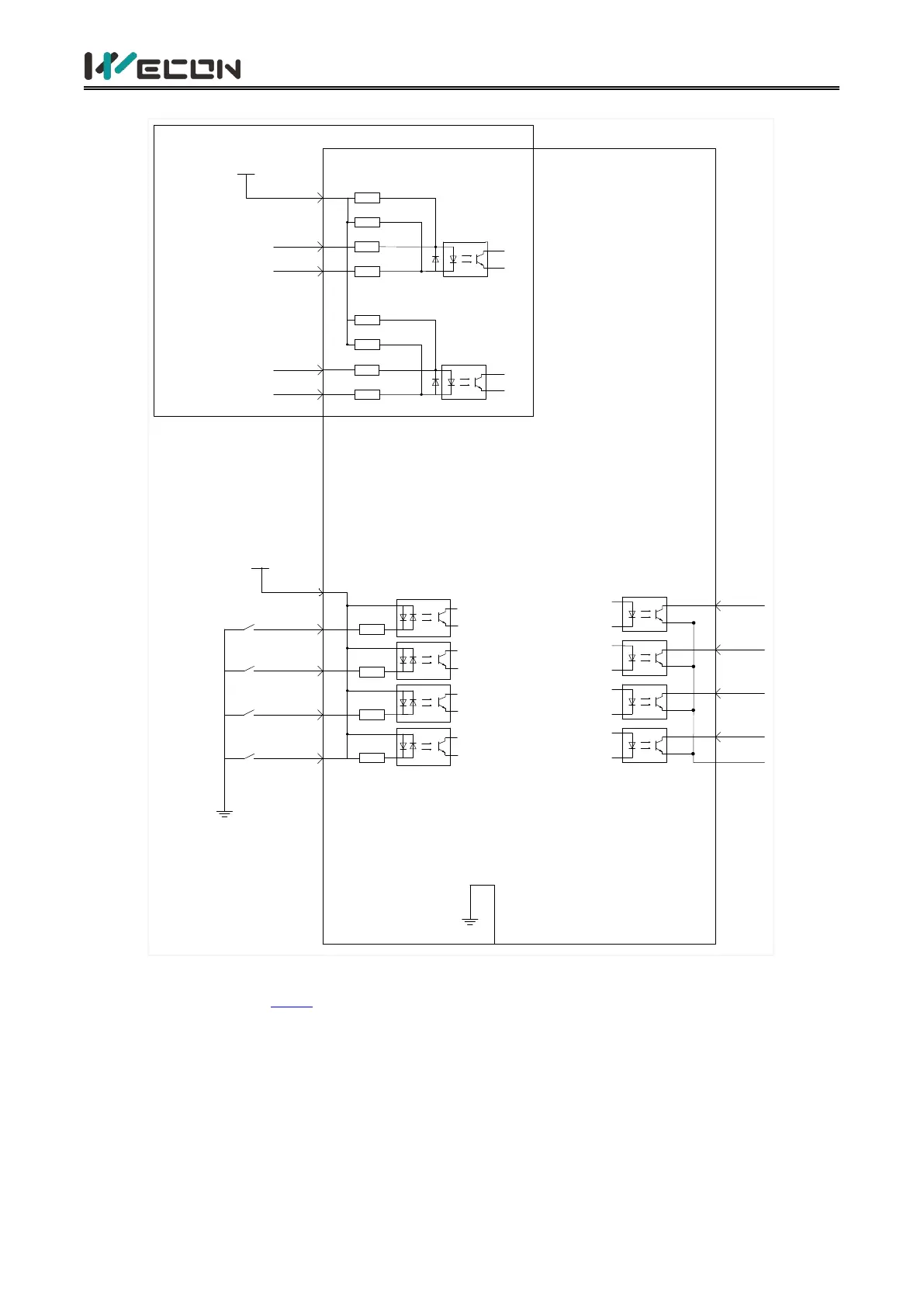
(2) VD2F servo drive
PL
PULS+
P LS-U
SIGN+
SIGN-
12
13
14
15
SS
DI1
DI2
DI3
DI4
3
2
8
7
8
1
8
6
8
2.2k
100R
100R
10k
10k
2.2k
11
2.2k
100R
100R
2.2k
10k
10k
5
10
4
9
DO1
DO2
DO3
DO4
DOCOM
Position pulse mode wiring
External +24V
Pulse input
Direction input
External +24V
Ground terminal is connected
to connector shell
Figure 4-12 Position pulse mode wiring
Note: Please refer to "
4.4.1
Table 4-13 CN2 interface definition of VD2F servo driveTable 4-13
CN2 interface definition of VD2F servo drive" for the pin numbers in the figure.

Table of Contents

Related product manuals