EasyManua.ls Logo

Wecon VD2F-010SA1P - Page 48

Default Icon
133 pages
Print Icon
To Next Page IconTo Next Page
To Next Page IconTo Next Page
To Previous Page IconTo Previous Page
To Previous Page IconTo Previous Page
Loading...
Wecon VD2 SA Series Servo Drives Manual (Lite V1.1)
WECON technology Co., Ltd
42
2
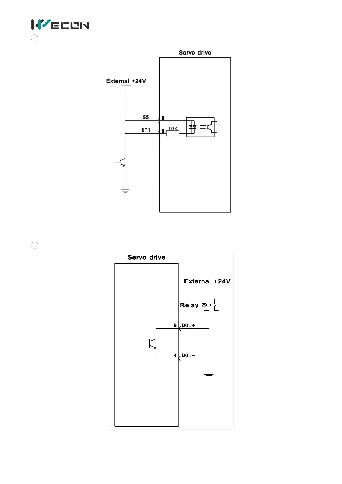
When the control device (HMI/PLC) is open collector output
Figure 4-20 Open collector output
2) Digital output circuit
1
When the control device(HMI/PLC) is relay input
Figure 4-21 Relay input

Table of Contents

Related product manuals