EasyManua.ls Logo

Xinje DS3 series servo - Detailed Wiring Schematics; Control Signal Wiring Details

Xinje DS3 series servo
41 pages
To Next Page IconTo Next Page
To Next Page IconTo Next Page
To Previous Page IconTo Previous Page
To Previous Page IconTo Previous Page
Loading...
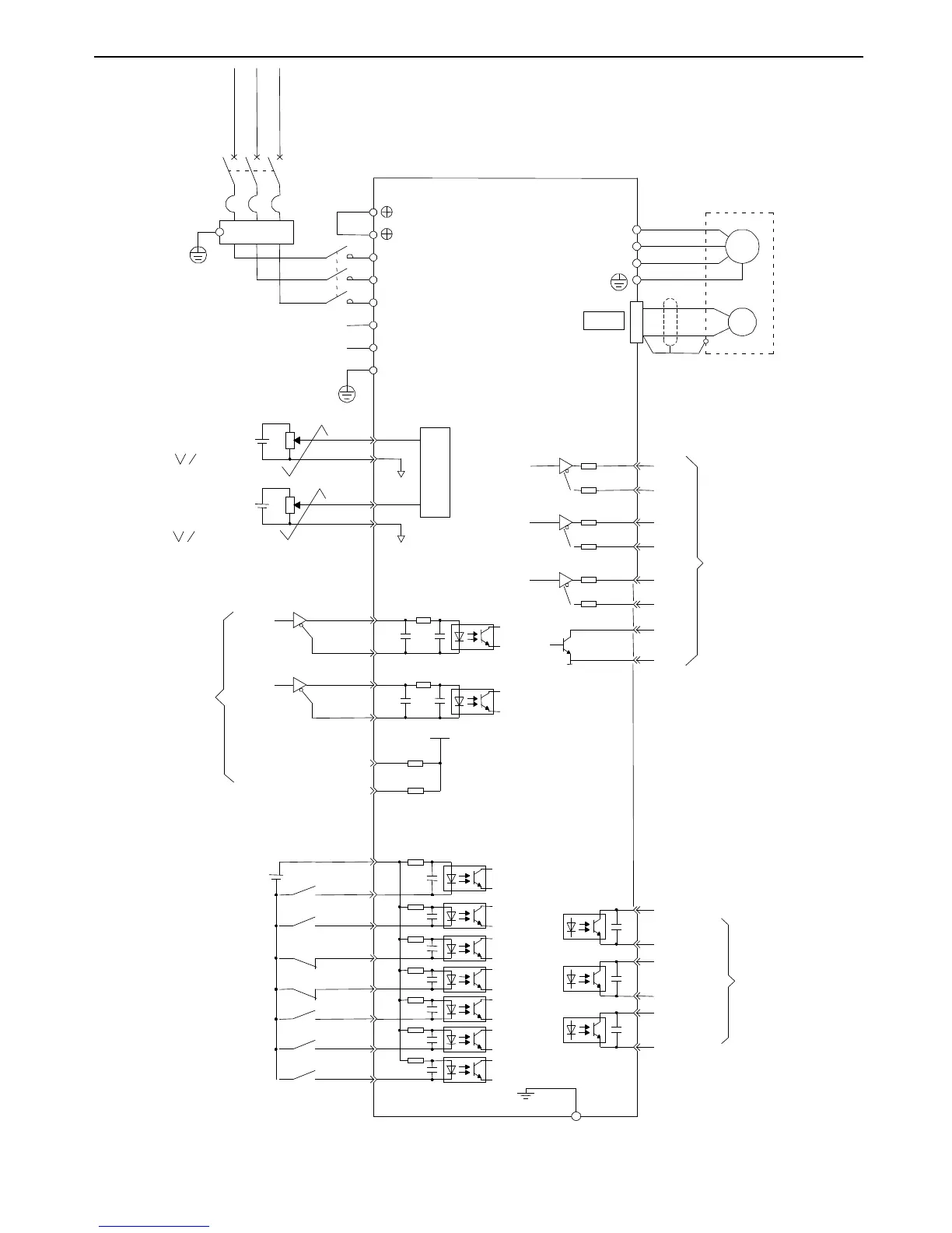
DS3 series servo manual
15
3.3K
Ω
/N-OT
/P-CON
/S-ON
+24VIN
W
V
U
PG
AC 220V
(50/60Hz)
1
2
R
S
T
P+
PB
19
S-RDY+
S-RDY-
ALM+
ALM
COIN-
COIN+
8
Torque command
Torque limit
±10
Rated torque
Self-defined
Output
FIL
25
24
27
26
150
Ω
23
28
+5V
10
Ω
AO+
AO-
BO-
BO+
10
Ω
ZO
ZO+
10
Ω
CZ
GND
Encoder
Output
M
U
V
W
PE
Position
command
SIGN
PULS
/ALM-RST
/P-OT
/P-CL
/N-CL
9
17
16
15
13
12
11
10
7
6
5
4
3
1
2
31
30
33
32
35
34
A/D
22
21
20
V-REF
SG
T-REF
SG
Enable
ON
(
ON
Effective
)
P
action
ON
Effective)
Forward suppression
(
OFF
Effective )
Reverse suppression
(
OFF
Effective )
Alarm reset
(
ON
Effective )
Forward torque limit
(
ON
Effective )
Reverse torque limit
(
ON effective )
PULS+
PULS-
SIGN+
SIGN-
PL1
PL2
Power for
Open
Collector
CN2
Speed command
Speed limit
±10
Rated speed
Properly handle
the shield thread

Related product manuals