EasyManua.ls Logo

YASKAWA HV600

YASKAWA HV600
794 pages
To Next Page IconTo Next Page
To Next Page IconTo Next Page
To Previous Page IconTo Previous Page
To Previous Page IconTo Previous Page
Loading...
10.3 BACnet Communications
700 YASKAWA SIEPYAIH6B01A HV600 AC Drive Bypass Technical Reference
The bypass is prepared to start communication with the controller.
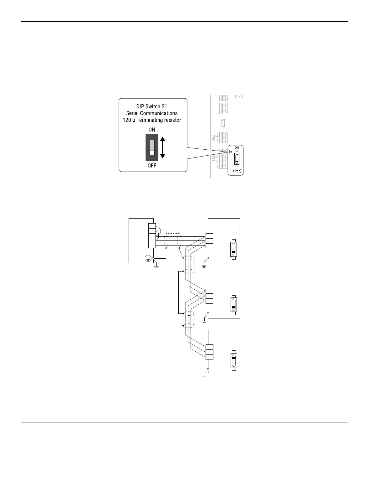
Set the Termination Resistor
You must enable the termination resistor on the serial terminals of the bypasses on the two physical ends of the
network to use serial communications. Use DIP switch S1 on the bypass control PCB to enable and disable the built-
in termination resistor. Refer to Figure 10.3 for an example of how to set DIP switch S1. Use the tip of a tweezers or a
small flat-blade screwdriver to set the DIP switch. When you install the bypass at the end of the network line, set DIP
switch S1 to ON to enable the termination resistor. Set DIP switch S1 to OFF on all other bypasses.
Figure 10.3 Termination Resistor DIP Switch S1
Wiring Diagram for More than One Bypass
Figure 10.4 shows how to wire more than one connected bypass using serial communications.
Figure 10.4 Wiring Diagram for More than One Bypass
Note:
When you install the bypass at the end of the network line, set DIP switch S1 to ON to enable the termination resistor. Set DIP switch S1 to
OFF on all other bypasses.
Bypass Operations by Serial Communications
Parameters will apply to the settings when the bypass is running during serial communications. This section gives
information about the available functions and their related parameters.
PLC
R+
Bypass
OFF
R-
S+
S-
IG
2
3
1
TXRX+
TXRX-
IG5
S1
Bypass
OFF
2
3
1
TXRX+
TXRX-
IG5
S1
Bypass
ON
2
3
1
TXRX+
TXRX-
IG5
S1

Table of Contents

Other manuals for YASKAWA HV600

Related product manuals