EasyManua.ls Logo

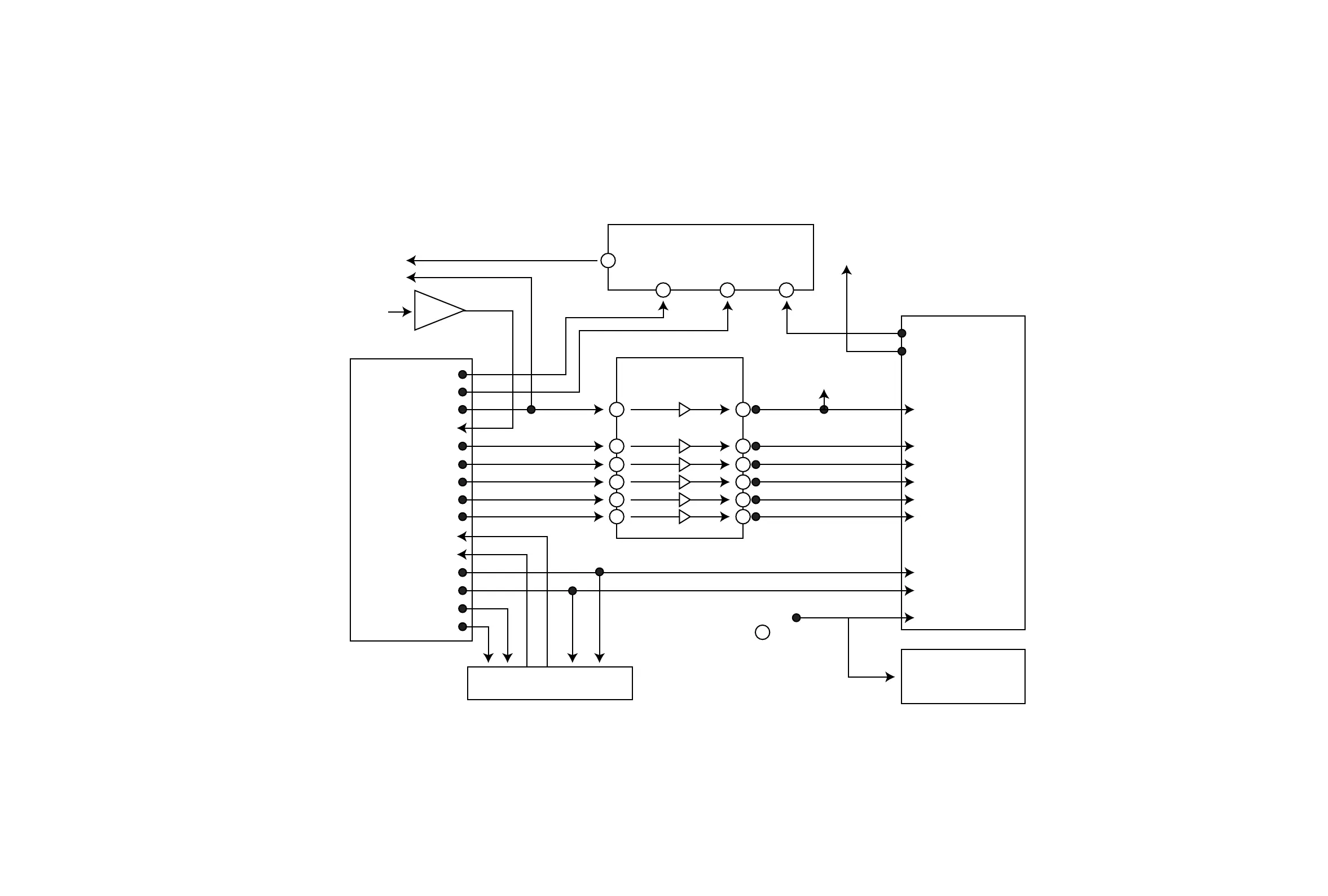
Zenith XBR413 - Jack Block Diagram

Zenith XBR413
162 pages
Print Icon
To Next Page IconTo Next Page
To Next Page IconTo Next Page
To Previous Page IconTo Previous Page
To Previous Page IconTo Previous Page
Loading...
6 21
4
7
3 5 1
23
2 26
10 20
12 18
14
1
16
1) Front Video
3) Mixed Video
5) VDR CVBS
7) VCR Video
9) Y (Super)
11) C (Super)
13) Y
15) Pb
17) Pr
19) VCR A-L
21) VCR A-R
23) VDR A-L
25) VDR A-R
27) Front A-L
29) Front A-R
To.AVCP
To.AVCP
From
AVCP
VIDEO SW IC
IC601
IC601
VIDEO AMP IC
JK601
A/V JACK
IEC-958
From PMD01 Pin
From/To Hi-Fi IC801
To Hi-Fi
AV1 Video in
AV1 Audio in
(L/R)
To TUNER
MOD VIDEO
JK603
Optical Jack
Video Out
Y Out (Super)
C Out (Super)
Y Out (Comp)
Pb Out (Comp)
Pr Out (Comp)
Audio Out L
Audio Out R
Coaxial Out
PMD02
3-28 3-29
5. JACK BLOCK DIAGRAM

Table of Contents

Other manuals for Zenith XBR413

Related product manuals