EasyManua.ls Logo

Zenith XBR413 - Circuit Diagrams

Zenith XBR413
162 pages
Print Icon
To Next Page IconTo Next Page
To Next Page IconTo Next Page
To Previous Page IconTo Previous Page
To Previous Page IconTo Previous Page
Loading...
3-34 3-35
NOTES) Symbol denotes AC ground.
NOTES) Symbol denotes DC chassis ground.
NOTE) Warning
NOTE) Parts that are shaded are critical
NOTE) With respect to risk of fire or
NOTE) electricial shock.
CIRCUIT DIAGRAMS
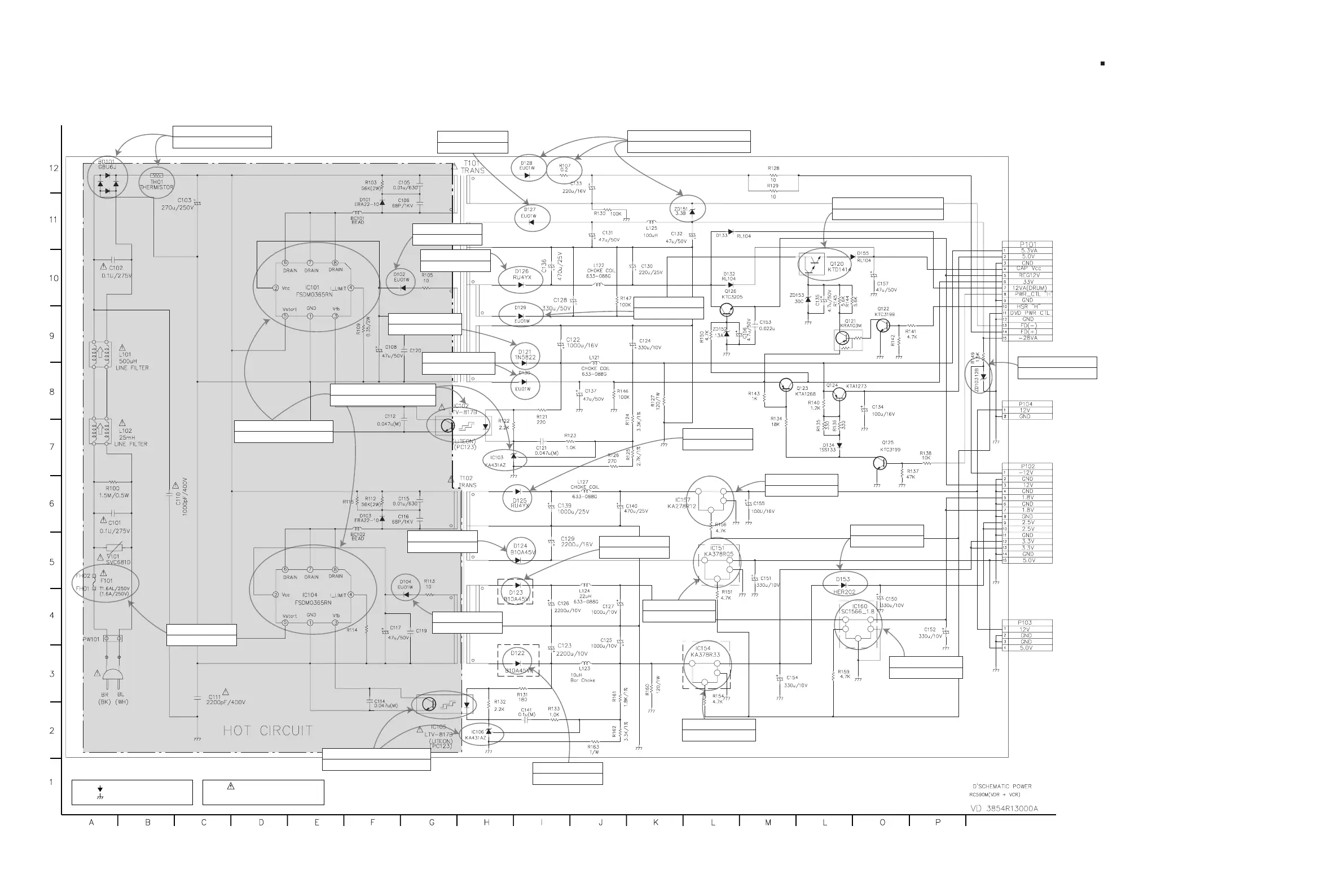
1. POWER(SMPS) CIRCUIT DIAGRAM
S/W Error
IC101,IC104 is Defective
Switching Error
IC105,IC106 are Defective
3.3V No Power
D122 is Defective
No Power
D104 is Defective
28V No Power
D129 is Defective
12V No Power
D126 is Defective
No Power
D102 is Defective
No Power
F101 is Defective
12V No Power
IC157 is Defective
5V No Power
IC151 is Defective
2.5V No Power
D153 is Defective
1.8V No Power
IC160 is Defective
3.3V No Power
IC154 is Defective
Switching Error
IC105,IC106 are Defective
30VA No Power
D130 is Defective
5.3VA No Power
D121 is Defective
No power.
BD101,TH01 is Defective
-29VA No Power
D127 is Defective
28V No Power
Q120 or ZD153 are Defective
-12V No Power
ZD103 is Defective
12V No Power
D125 is Defective
5V No Power
D124 is Defective
1.8V No Power
D123 is Defective
No Digitron Displayed
D128,R107,ZD151 are Defective
IMPORTANT SAFETY NOTICE
WHEN SERVICING THIS CHASSIS, UNDER NO CIR-
CUMSTANCES SHOULD THE ORIGINAL DESIGN BE
MODIFIED OR ALTERED WITHOUT PERMISSION
FROM THE ZENITH ELECTRONICS CORPORATION.
ALL COMPONENTS SHOULD BE REPLACED ONLY
WITH TYPES IDENTICAL TO THOSE IN THE ORIGI-
NAL CIRCUIT. SPECIAL COMPONENTS ARE SHADED
ON THE SCHEMATIC FOR EASY IDENTIFICATION.
THIS CIRCUIT DIAGRAM MAY OCCASIONALLY DIF-
FER FROM THE ACTUAL CIRCUIT USED. THIS WAY,
IMPLEMENTATION OF THE LATEST SAFETY AND
PERFORMANCE IMPROVEMENT CHANGES INTO
THE SET IS NOT DELAYED UNTIL THE NEW SERVICE
LITERATURE IS PRINTED.
NOTE :
1. Shaded( ) parts are critical for safety. Replace only
with specified part number.
2. Voltages are DC-measured with a digital voltmeter
during Play mode.

Table of Contents

Other manuals for Zenith XBR413

Related product manuals