EasyManua.ls Logo

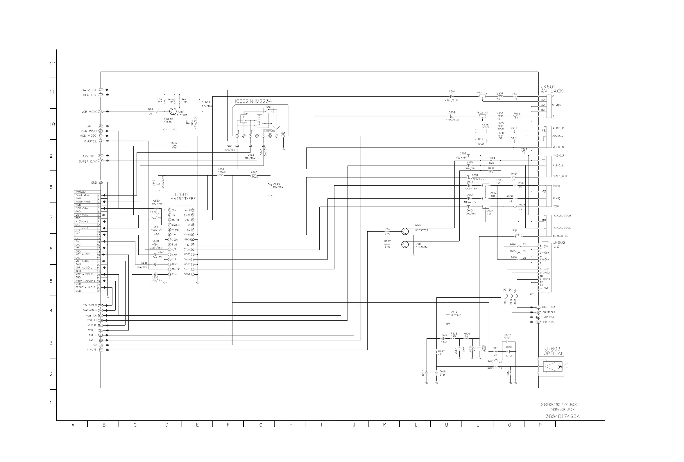
Zenith XBR413 - Jack Circuit Diagram

Zenith XBR413
162 pages
Print Icon
To Next Page IconTo Next Page
To Next Page IconTo Next Page
To Previous Page IconTo Previous Page
To Previous Page IconTo Previous Page
Loading...
3-40 3-41
4. JACK CIRCUIT DIAGRAM

Table of Contents

Other manuals for Zenith XBR413

Related product manuals