EasyManua.ls Logo

Aastra Ascotel IntelliGate A150 - Incoming Traffic; Routing

Aastra Ascotel IntelliGate A150
524 pages
Print Icon
To Next Page IconTo Next Page
To Next Page IconTo Next Page
To Previous Page IconTo Previous Page
To Previous Page IconTo Previous Page
Loading...
System Functions and Features as of I7.9
142 Call routing
syd-0200/3.0 – I7.9 – 11.2009
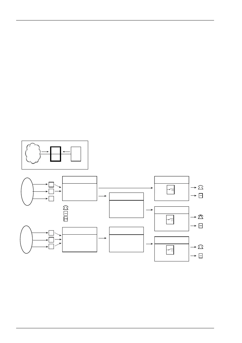
5. 3 Incoming Traffic
5. 3. 1 Routing
Network interfaces with the same network-specific characteristics are all grouped
together in a trunk group. It is for example specified whether the network inter-
faces allocated to a trunk group are connected to a private leased-line network or
to the public network.
A call is routed via a trunk group to a direct dialling plan, a call distribution element
or a destination with a number from the internal numbering plan.
Each direct dial number is allocated a call distribution element. Several direct dial
numbers can be allocated to the same call distribution element.
A call distribution element is allocated destinations depending on the switch
group and switch position (see "Call destination", page 90).
[1] One and the same trunk group cannot contain both analogue and digital network interfaces
Fig. 60 Routing and destinations of an incoming call
5
5
BC
5
5
4F
6TFS
,5MJOF
$IBOHFPWFSTXJUDI
&Y
DIBOHF
/FUXPSLJOUFSGBDFT
DBMMEJTUSJCVUJPO
EJSFDUEJBMMJOHQMBO
EJSFDUEJBMMJOHQMBO
5SVOLHSPVQ
5SVOLHSPVQ
%%*/P
DBMMEJTUSJCVUJPO
%JSFDUEJBMMJOHQMBO
%JSFDUEJBMMJOHQMBO
%%*/P
DBMMEJTUSJCVUJPO
$BMMEJTUSJCVUJPO
$BMMEJTUSJCVUJPO
$BMMEJTUSJCVUJPO
1*/9
1*/9
1*/9
1*4/

O

O

O
<>

Table of Contents

Related product manuals