EasyManua.ls Logo

ALLIANCE SCL020WT - Page 135

ALLIANCE SCL020WT
157 pages
Print Icon
To Next Page IconTo Next Page
To Next Page IconTo Next Page
To Previous Page IconTo Previous Page
To Previous Page IconTo Previous Page
Loading...
80-100 Bound N and P Voltage
CHM984S_SVG
BA
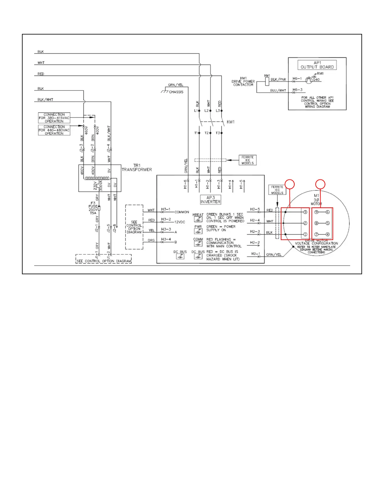
Troubleshooting
©
Copyright, Alliance Laundry Systems LLC -
DO NOT COPY or TRANSMIT
135 Part No. F8677701EN

Table of Contents

Related product manuals