EasyManua.ls Logo

ALLIANCE SCL020WT - Page 154

ALLIANCE SCL020WT
157 pages
Print Icon
To Next Page IconTo Next Page
To Next Page IconTo Next Page
To Previous Page IconTo Previous Page
To Previous Page IconTo Previous Page
Loading...
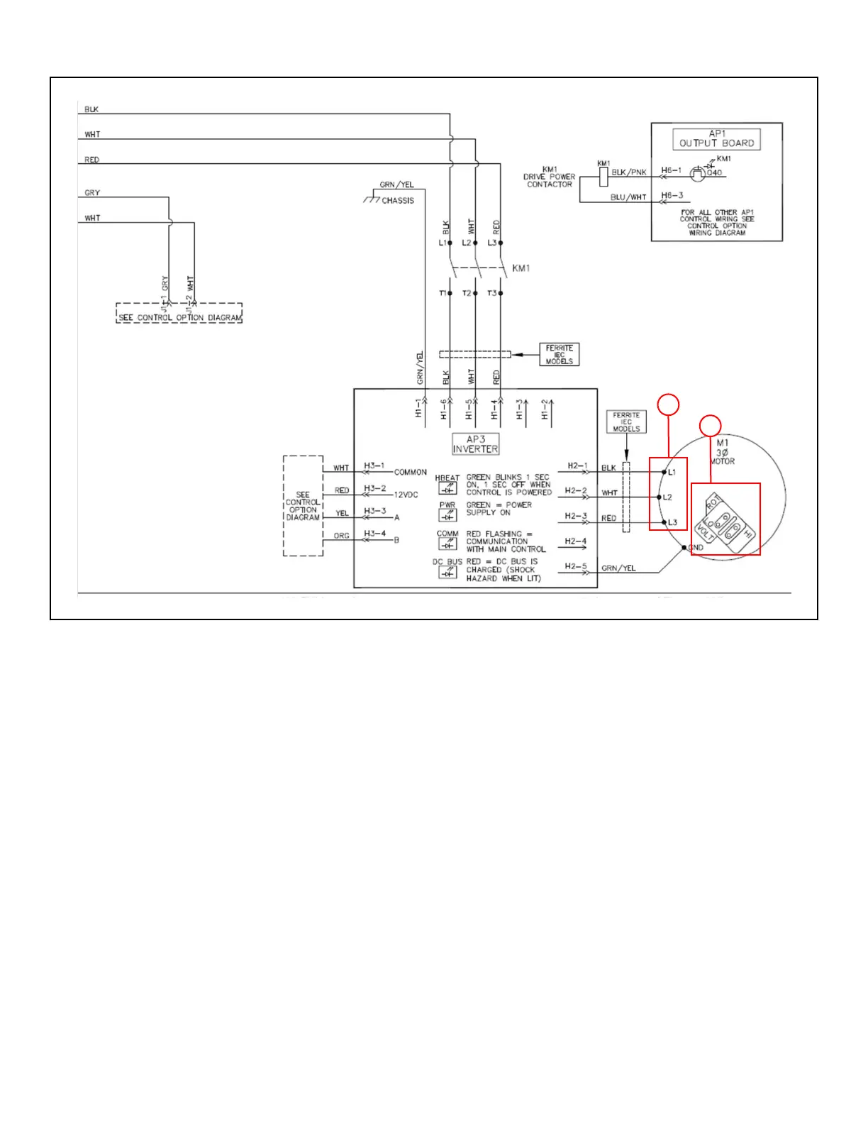
60 Pound Q and X Voltage
CHM981S_SVG
A
B
Troubleshooting
©
Copyright, Alliance Laundry Systems LLC -
DO NOT COPY or TRANSMIT
154 Part No. F8677701EN

Table of Contents

Related product manuals