EasyManua.ls Logo

ALLIANCE SCL020WT - Page 157

ALLIANCE SCL020WT
157 pages
Print Icon
To Previous Page IconTo Previous Page
To Previous Page IconTo Previous Page
Loading...
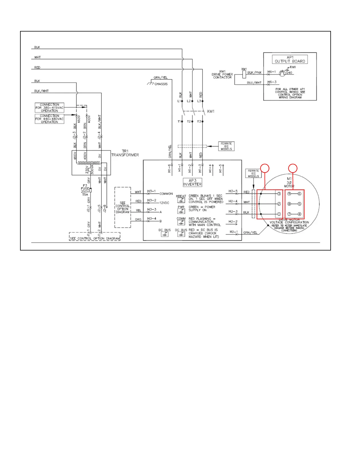
80-100 Bound N and P Voltage
CHM984S_SVG
BA
Troubleshooting
©
Copyright, Alliance Laundry Systems LLC -
DO NOT COPY or TRANSMIT
157 Part No. F8677701EN

Table of Contents

Related product manuals