EasyManua.ls Logo

B&K 415 - Page 17

B&K 415
107 pages
Print Icon
To Next Page IconTo Next Page
To Next Page IconTo Next Page
To Previous Page IconTo Previous Page
To Previous Page IconTo Previous Page
Loading...
t
)
I J
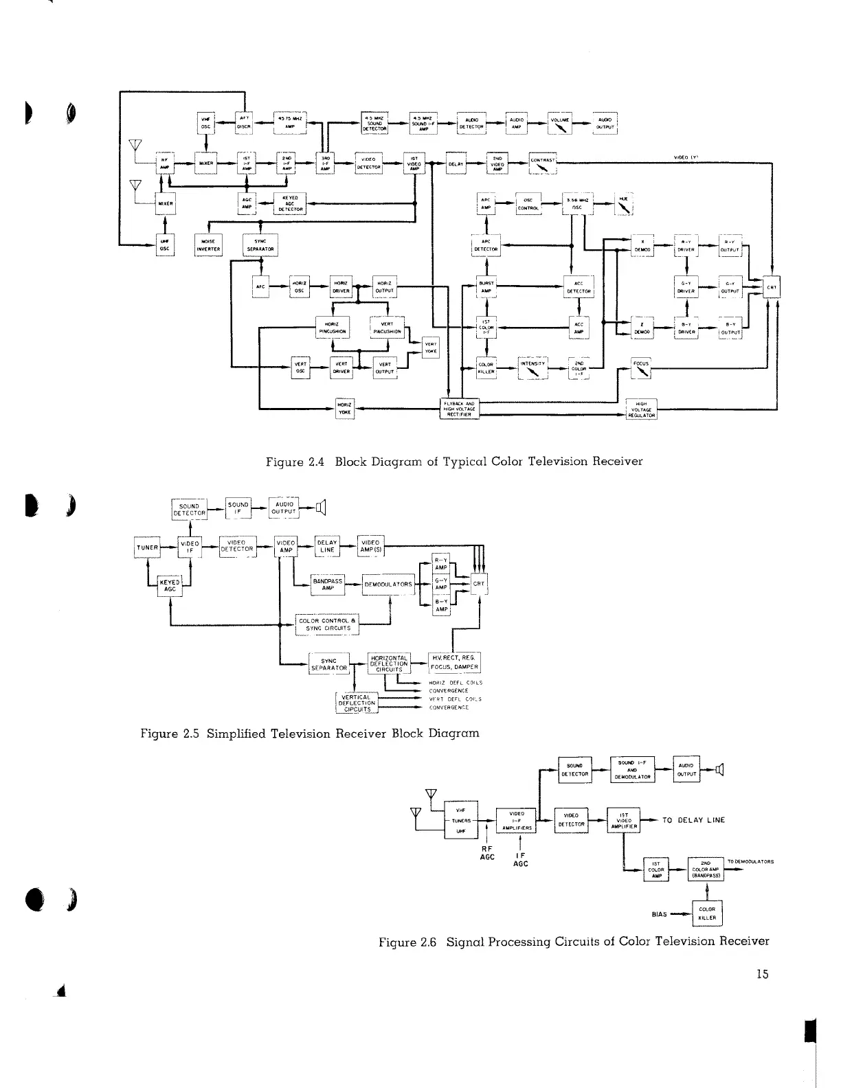
Figure 2.4 Block Diagram of Typical Color Television Receiver
@:,~, f--------""Tn
. [;_yl
-=:£f3L
tEMO;~TORS1[~::-tr~RT j
r
---· -------·1 t
~~
COLOR CONTROL a~
'----------+-L __ SYNC C!RCl.JITS_J
~
SYNC
Tl HORlZONTAL°l IH.V.REcr, REG~
DEFLECTIO-N ~1 r:ri;
~~~A~... I cTunsJ I FOCUS, OAM".ER
L:._._ HORIZ OEfL COILS
- ----- '----- CONVERGEN(F.
VERTICA)B/ : Vf'Rl DUL COi'" S
DEFLECTION,
C!P~)JITS !----- f.ONVERGENCL
Figure 2.5 Simplified Television Receiver Block Diagram
RF
AGC IF
AGC
Figure 2.6 Signal Processing Circuits of Color Television Receiver
15
I

Table of Contents