EasyManua.ls Logo

B&K 415 - Page 91

B&K 415
107 pages
Print Icon
To Next Page IconTo Next Page
To Next Page IconTo Next Page
To Previous Page IconTo Previous Page
To Previous Page IconTo Previous Page
Loading...
I
I
I
IQ I
I t::J i
'------'
MARKER
AMPLITUDE
REGULATEO PO'NER
SUPPL.JES a
BIAS SUPPLIES
iJI]+ - DI]+ - DI]+
©~O ©
~
~ ~
OIJ+ - OIJ+ - OIJ+
CENTER
FREQUfNC'I'
A+
REG
MKR A+ REG
!20VAC
'~"
"'
HORIZONTAL
SWEEP PHASE
SPUTTER
0<4
LOW PASS FILTER
8VIOEO SWEEP
AMPLIFIER
L_ __ _J_\ RF-IF-VIDEO
RF - IF· VlOEO
.ATTENUATOR
OUTPUT
TO SCOPE
HOR!Z INPUT
TO SCOPE
n
004
~----------..----------------------.....1
~
VERT INPUT
S:5!2
~.JJIJ
10 0
q .. .""'
RF ~1F~VIOEO
ATTENUATOR
RF-IF-VIDEO
OUTPUT
TO SCOPE
TO
SCOPE
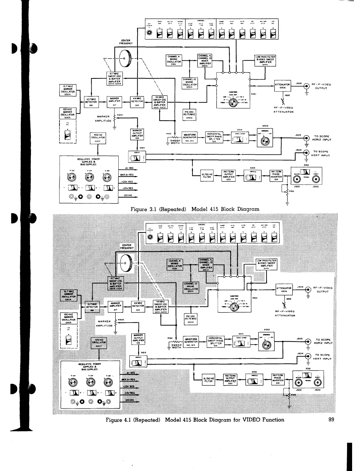
Figure 4.1 (Repeated) Model 415 Block Diagram for VIDEO Function
89
I

Table of Contents