EasyManua.ls Logo

Brainlab ExacTrac - Cabling System

Brainlab ExacTrac
130 pages
Print Icon
To Next Page IconTo Next Page
To Next Page IconTo Next Page
To Previous Page IconTo Previous Page
To Previous Page IconTo Previous Page
Loading...
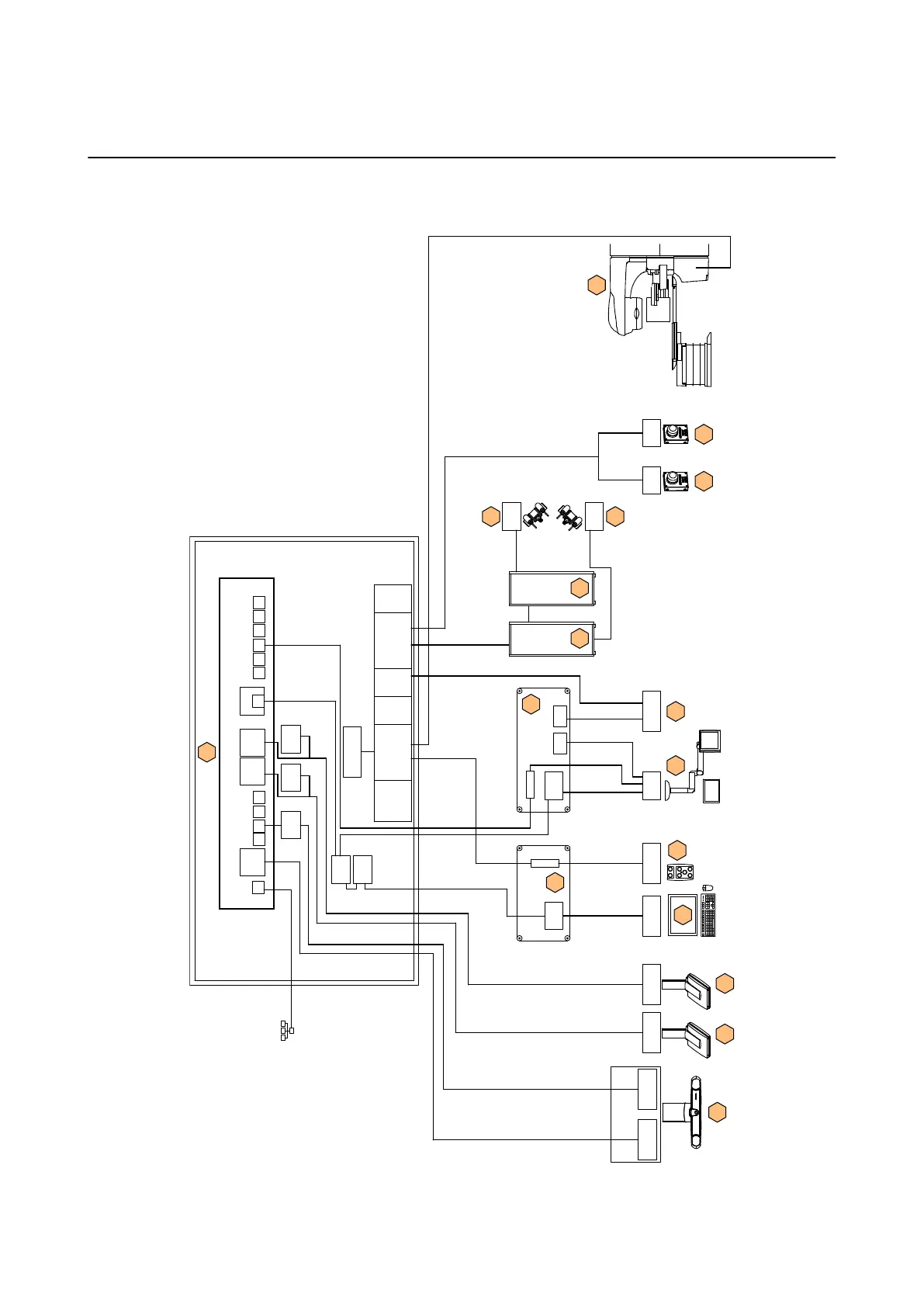
3.2.3 Cabling System
Functional Cabling for Varian T
rueBeam Systems
The following image shows an overview of the functional cabling (excluding mains, PE and
building installation) for Varian T
rueBeam systems:
Single
KVM
Module
Dual
KVM
Module
In-room
data/power
distribution box
KVM
receiver
Junction
In-room
monitor
ROBOTICS
Bluetooth
Control-room
data/power
distribution box
Camera
System
Control-room
monitor
IR
camera
Video
camera
Flat
Panel a
Flat
Panel b
ExacTrac
Computer Cabinet
X-Ray Generator
Warning
Light a
KVM
receiver
X-Ray
Tube b
X-Ray
Tube a
2.2a
2.2b
2.0b
1.0
2.5a
1.2
3.2
1.4
2.3a
1.1
2.3b
1.5
1.3
0.0
19
8a
16
15
ExacTrac
Console
2.4
Warning
Light b
2.5b
USB
A
Flat Panel
frame
grabber
ExacTrac WorkStation
LAN1
Graphic card
USB
B
USB
C
USB
D
COM
1
COM
2
COM
3
COM
4
COM
PWR
COM
IN
KVM
Video
Frame
Grabber
Hospital Network
Keyboard, Video & Mouse cables
27
1 4
5,6 5,6
2
7
3
X-Ray Generator
2.0a
Junction
Power-
supply
Power-
supply
22
17
20
10
23
Cable Extension 5m
Flat Panel
frame
grabber
Flat Panel
Power-
supply
Flat Panel
Power-
supply
USB
Power-
supply
21
6 6
5 5
12A,12B,
13A
12C,12D,
13B
ET DXR
ET
COU1
ET
RTM2
ET
COM
ET ILK
Insert
ET POW
Insert
ITU
Insert Insert
11
Figure 5
SITE SPECIFICATIONS
Site Planning Manual Rev. 1.0 ExacTrac Ver. 6.x 23

Table of Contents

Related product manuals