EasyManua.ls Logo

Colortrac M25e - 12 Scanner Information; Block Diagram

Colortrac M25e
129 pages
Print Icon
To Next Page IconTo Next Page
To Next Page IconTo Next Page
To Previous Page IconTo Previous Page
To Previous Page IconTo Previous Page
Loading...
M Series Service Manual
Page 14 of 129
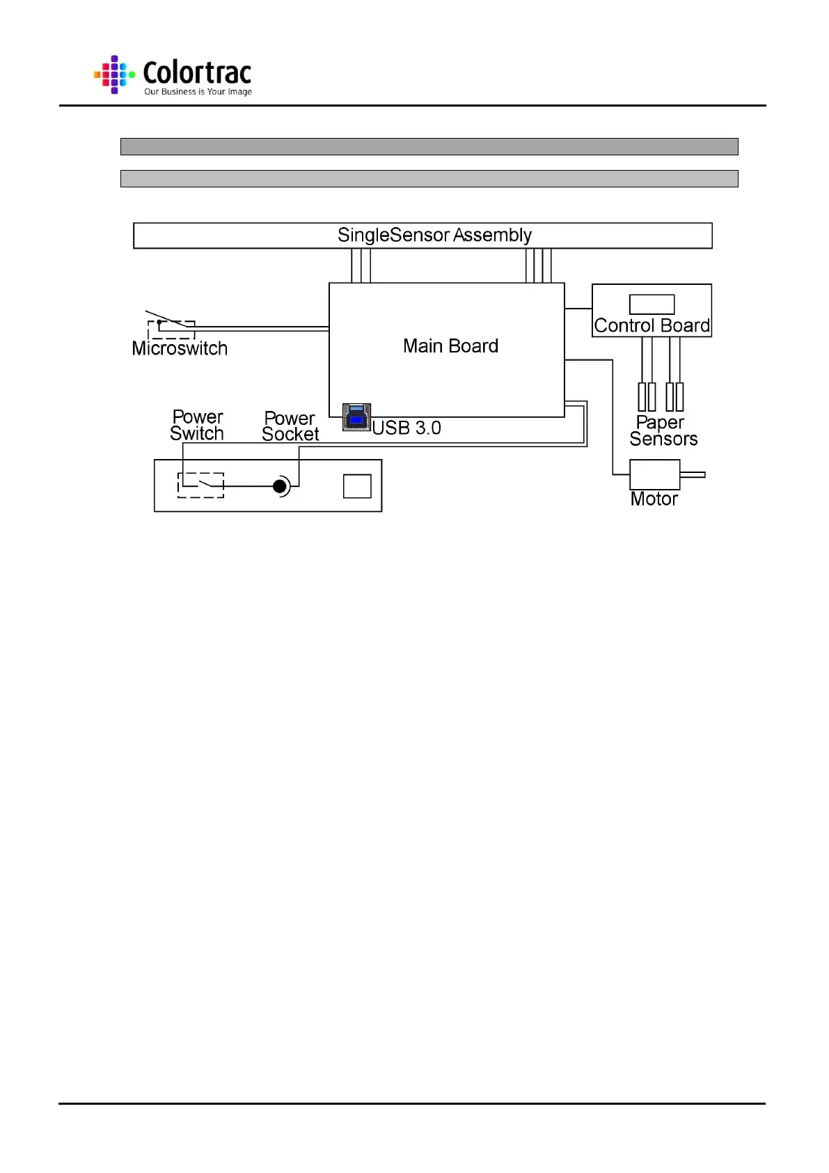
Consists of:
1 x SingleSensor CIS Assy
4 x Paper Sensor
1 x Motor
1 x Power Socket
1 x Power Switch
1 x Main Board
1 x Microswitch
1 x Control Board

Table of Contents

Related product manuals