EasyManua.ls Logo

CPS ES Series - Page 25

Default Icon
71 pages
Print Icon
To Next Page IconTo Next Page
To Next Page IconTo Next Page
To Previous Page IconTo Previous Page
To Previous Page IconTo Previous Page
Loading...
25
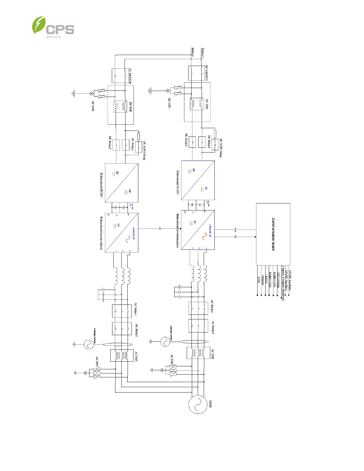
Figure 2-10 125 kW Diagram

Table of Contents