EasyManua.ls Logo

Datafox Evo 4.3 - Page 94

Default Icon
146 pages
Print Icon
To Next Page IconTo Next Page
To Next Page IconTo Next Page
To Previous Page IconTo Previous Page
To Previous Page IconTo Previous Page
Loading...
Manual Datafox Evo 4.3 Page 88 Date: 27.12.2017 V 04.03.09.XX
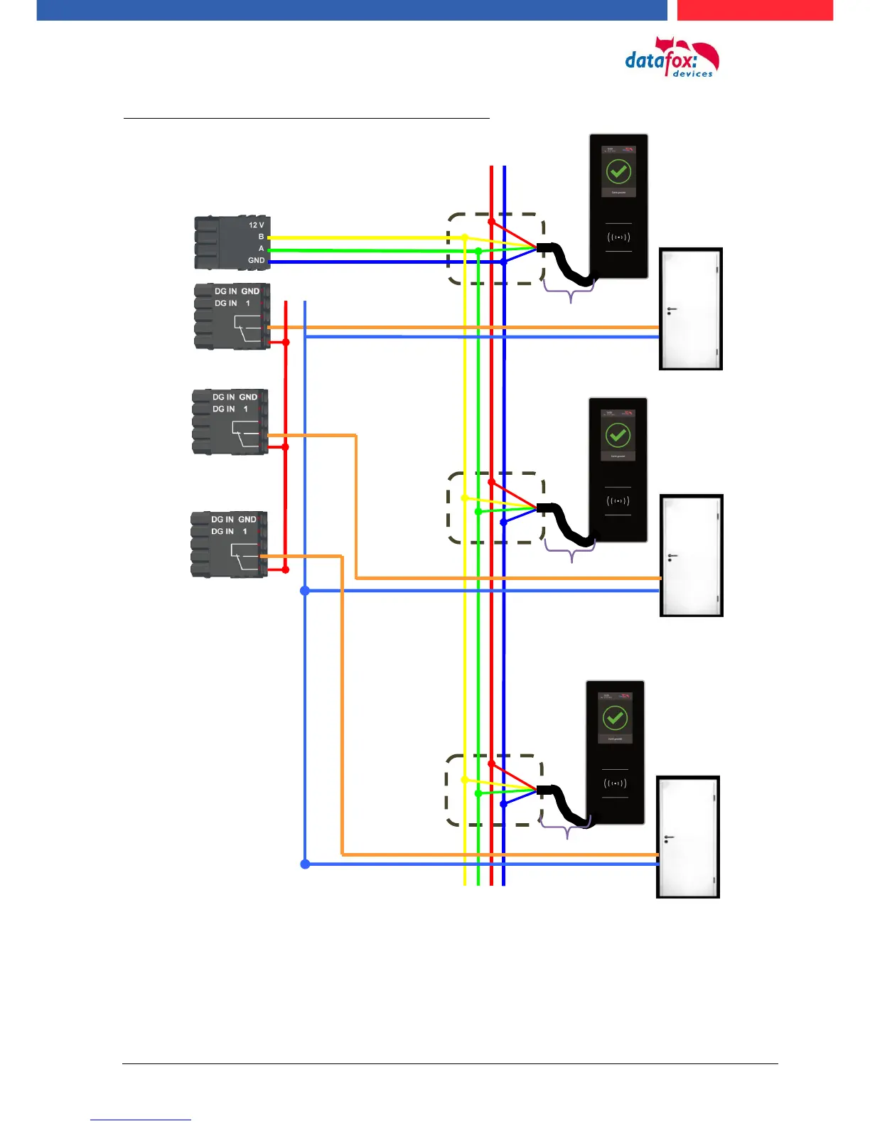
Verdrahtungsplan für 3 Türen, 3 Relais in dem EVO 4.3:
M1
SIM
12VDC
USB
GPRS
GPS
RS232
M7
LAN
M8
485-A
485-B
12V
GND
M3
M2
DGND
D IN1
Relais
ZK
485-A
485-B
HK
Variante mit RS485 Haupt-
kommunikation
Bus Nr. 1
Spannungsversorgung 12 30 V + -
+ - Spannung für Türöffner
Bus Nr. 2
Bus Nr. 3
max. 2,5m
weitere Leser möglich
max. 2,5m
max. 2,5m

Table of Contents

Related product manuals