EasyManua.ls Logo

Delta Electronics ASDA-B2 series - Page 66

Delta Electronics ASDA-B2 series
335 pages
Print Icon
To Next Page IconTo Next Page
To Next Page IconTo Next Page
To Previous Page IconTo Previous Page
To Previous Page IconTo Previous Page
Loading...
ASDA-B2 Chapter 3 Connections and Wiring
Revision September 2013 3-31
C3-3: The source of pulse input is open-collector NPN equipment which applies the
external power of the servo drive.
Approx.
2KΩ
75Ω
75Ω
75Ω
Approx.
2KΩ
Max. input pulse
frequency is 200Kpps
Max. input pulse
frequency is 200Kpps
75Ω
SG
/SIGN
/PULSE
PULL_HI 35
37
41
Servo DriveController
2KΩ
2KΩ
DC24V
+
-
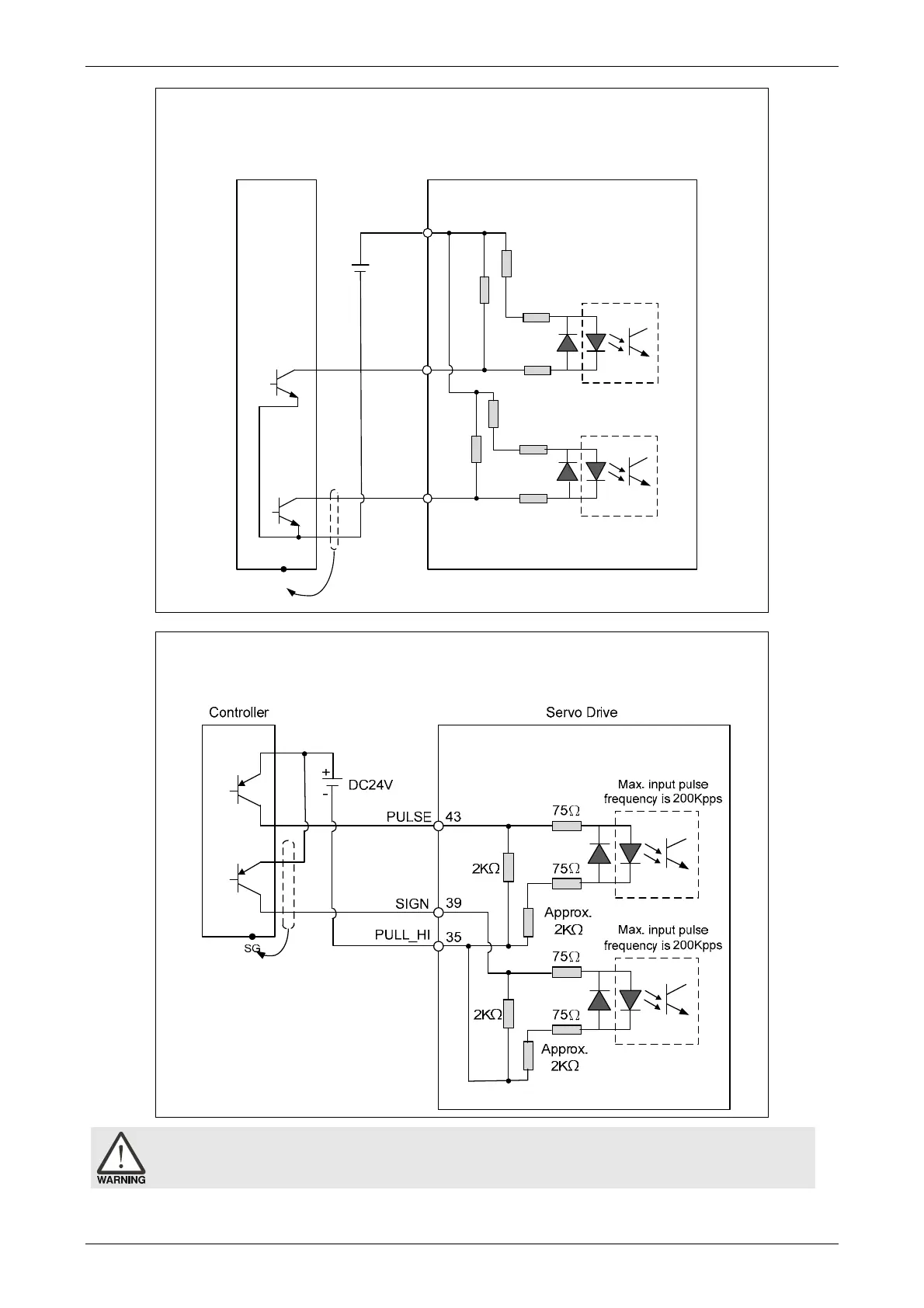
C3-4: The source of pulse input is open-collector PNP equipment which applies the
external power of the servo drive.
Caution: Do not apply to dual power or it may damage the servo drive.
VARITEL INGENIERIA ELECTRONICA S.A.
info@varitel.com - www.varitel.com - Tel. (54) 11-4243-1171 / Fax: (54) 11-4292-7545
Manuel Baliña 456, Lomas de Zamora (B1832CCJ) Buenos Aires, Argentina.

Table of Contents

Related product manuals